DZ47LE-63 Series (RCBO) 3KA/4.5KA

The DZ47LE-63 RCBO is designed to ensure the protection of low-voltage electrical applications.In the event of leakage current or accidental human contact,it can rapidly disconnects power within 0.1 seconds,effectively preventing electric shock accidents and electrical fires.It is suitable for residential and industrial electrical distribution systems,offering comprehensive protection against leakage,overload, and short circuit faults.


  • DZ47LE-63 Series (RCBO) 3KA/4.5KA
  • DZ47LE-63 Series (RCBO) 3KA/4.5KA
  • DZ47LE-63 Series (RCBO) 3KA/4.5KA
  • DZ47LE-63 Series (RCBO) 3KA/4.5KA

Product Detail

Application

1.1P+N,2P,3P,3P+N,4P breakers with rating current from 2A to 63A

2.DlN-35 rail type mounting in the distribution board or cabinet

3.Electronic type RCD

4.Standard:IEC61009

5.Scenarios:residential building,commercial and industrial power distribution systems

Model No.

DZ47-1

Samples&Structures

DZ47-63
DZ47-633
DZ47-632
DZ47-631
DZ47-3
DZ47-2

Parameters

  Standard IEC/EN 61009
Electrical features Thermo-magnetic release characteristic C, D
Rated current In 6,10,16,20,25,32,40,50,63A
Poles 1P+N,2P,3P,3P+N,4P
Rated voltage Ue 230/400V
Rated sensitivity I△n 0.03,0.1,0.3A
Rated residual making and breaking capacity I△m 500A
Rated short-circuit capacity Icn 3000A / 4500A
Break time under I△n ≤0.1s
Rated frequency 50/60Hz
Rated impulse withstand voltage Uimp 4000V
Dielectric TEST voltage at ind.Freg.for 1min 2kV
Insulation voltage Ui 500
Pollution degree 2
  Standard   IEC/EN 61009
Mechanical features Electrical life 4100
Mechanical life 10000
Contact position indicator Yes
Protection degree IP20
Ambient temperature(with daily averages≤35°C) °C -5~+40
Storage temperature °C -25~+70
Installation Terminal connection type Cable/U-type busbar/Pin-type busbar
Terminal size top for cable mm² 25
Terminal size top for busbar mm² 25
Tightening torque N*m 2
In-Ibs 18
Mounting On DIN rail EN 60715(35mm) by means of fast clip device
Connection From top

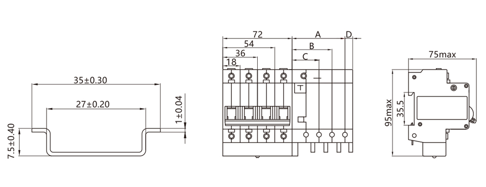
Overall and Mounting Dimensions(mm)

DZ47-5
  A B C D 1P+N 2P 3P 3P+N 4P
DZ47LE-32 39 30 21 6 18+27 36+27 54+36 54+45 72+45
DZ47LE-63 56 42 28 8 18+36 36+36 54+50 54+64 72+64
  • Write your message here and send it to us