RDB5-40(MCB) 4.5KA

RDB5-40 miniature circuit breaker is primarily designed for AC circuits operating at 50/60Hz, with a rated working voltage capacity up to 230V.It can be used as a switch for an infrequent conversion line. Protection features include overload and short-circuit, all the features making it ideal for domestic, commercial, and industrial electrical distribution installations.


  • RDB5-40(MCB)  4.5KA
  • RDB5-40(MCB)  4.5KA
  • RDB5-40(MCB)  4.5KA
  • RDB5-40(MCB)  4.5KA

Product Detail

Application

1.Rated current up to 40A

2.Low temperature rise and power consumption

3.overload currents and short circuit currents protection

4.Good insulation between phases

5.Scenarios:residential buildings,commercial and industrial power distribution systems

6.Standard:IEC/EN60898-1

B5-6

Model No.

B5-7

Samples&Structures

B5-1
B5-4
B5-5
B5-2

Parameters

   
Pole 1P+N
Rated voltage Ue (V) 230
Insulation voltage Ui (V) 500
Rated frequency (Hz) 50/60
Rated current In (A) 1, 2, 3, 4, 5, 6, 10, 16, 25, 32, 40
Type of instantaneous release C, D
Protective grade IP 20
Breaking capacity (A) 4500
Mechanical life 20000 times
Electrical life 10000 times
Ambient temperature (℃) -5~+40 (with daily average≤35)
Terminal connection type Cable/ Pin type busbar

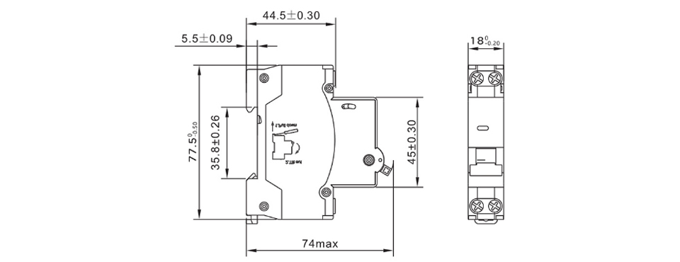
Overall and Mounting Dimensions(mm)

B5-8
  • Write your message here and send it to us