RDL7-100(RCCB) 6KA

The RDL-100 RCCB is a current operated fast leakage protector of pure electromagnetic type,applying to the circuit of AC 50/60Hz,230V single phase,400V three phases or below,it can break off fault circuit rapidly in order to avoid occurrence of accident.

The mutual inductor of the item is used to test vector differential value of passing current and produces a relevant output power and add it to the tripper In secondary winding, If the current of vector differential value of protected circuit of personal electric shock is up to or over leakage operating current, the tripper will act and cut off so that the Item will take effect of protection.


  • RDL7-100(RCCB) 6KA
  • RDL7-100(RCCB) 6KA
  • RDL7-100(RCCB) 6KA
  • RDL7-100(RCCB) 6KA

Product Detail

Specifications

Samples & Structures

Dimensions

Application

1.Electromagnetic type

2.Standard:IEC61008-1

3.Scenarios:industrial and mining enterprise,trade building,commerce and domestic installation

4.Preventing electrical fire and personal accidents caused by electric shock or wire leakage

5.Compact and precise structure, minimal components, without auxiliary power needed, high operational reliability

 

Working Principle

RDL7-112

Samples&Structures

RDL7-11
RDL7-12
RDL7-13
RDL7-15

Parameters

  standard IEC/EN 61008
Electrical features Mode Electro-magnetic type,electronic type
Type(wave form of the earth leakage sensed) A,AC
Rated current In 16,25,32,40,63,80,100A
Poles 2P,4P
Rated voltage Ue AC 230/400V
Rated sensitivity I△n 0.01,0.03,0.1,0.3,0.5A
Insulation voltage Ui 500V
Rated residual making and breaking capacity I△m 1000A
Short-circuit current I△c 6000A
Rated frequency 50/60Hz
SCPD fuse 6000A
Pollution degree 2
  Standard   IEC/EN 61009
Mechanical features Electrical life 4100
Mechanical life 10000
Protection degree IP20
Ambient temperature(with daily averages≤35°C) °C -25~+40
Storage temperature °C -25~+70
Installation Terminal connection type Cable/U-type busbar/Pin-type busbar
Terminal size top for cable mm² 35
AWG 18-3
Terminal size top for busbar mm² 35
AWG 18-3
Tightening torque N*m 2
In-Ibs 18
Mounting On DIN rail EN 60715(35mm) by means of fast clip device
Connection From top and bottom

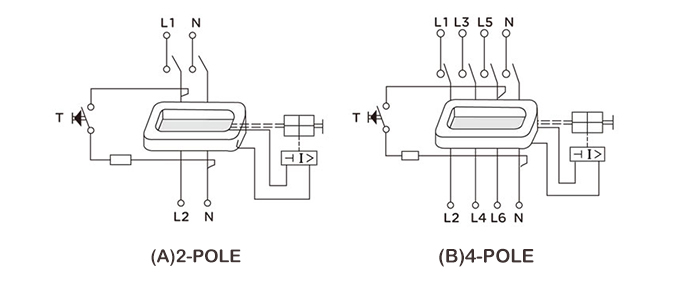
Wiring Diagram

RDL7-19

Overall and Mounting Dimensions(mm)

RDL7-111
  Standard   IEC/EN 61009
Electrical
features
Mode   Electro-magnetic type, electronic type
Type(wave form of the earth leakage sensed)     A,AC
Rated current In A 16,25,32,40,63,80,100
Poles P     2,4
Rated voltage Ue V  AC 240/415
Rated sensitivity A  0.01,0.03,0.1,0.3,0.5
Insulation voltage V 500
Rated residual making and breaking capacity I△m A 1000
Short-circuit current l△c A 6000
SCPD fuse A 6000
Rated frequency Hz  50/60
Pollution degree   2
Mechanical
features
Electrical life    
Mechanical life    
Protection life    
Ambient temperature(with daily average≤35℃) -25~+40
Storage temperature -25~+70
Installation Terminal connection type   Cable/U-type busbar/Pin-type busbar
Terminal size top for cable mm2 35
AWG 18-3
Terminal size top for busbar mm2 35
AWG 18-3
Tightening torque N*m 2.5
In-Ibs 22
Mounting   On DIN rail EN 60715 (35mm) by means of fast clip device
Connection   From top and bottom

1 2

2

  • Write your message here and send it to us