PID-125(RCCB) 6KA

The PDL-100 RCCB is engineered for reliability: high-precision,with less elements and no auxiliary power dependency.Designed for AC 50/60Hz systems, it supports single-phase 230V and three-phase 400V circuits (and below). Its primary function is to prevent electrical fires and personal accidents caused by human electrocution or grid leakage, operating as a fast-acting, purely electromagnetic, current-operated protective unit.

The mutual inductor of the item is used to test vector differential value of passing current, and produces a relevant output power and add it to the tripper in secondary winding, if the current of vector differential value of protected circuit of personal electric shock is up to or over leakage operating current, the tripper will act and cut off so that the item will take effect of protection.


  • PID-125(RCCB) 6KA
  • PID-125(RCCB) 6KA
  • PID-125(RCCB) 6KA
  • PID-125(RCCB) 6KA

Product Detail

Parameters

Samples & Structures

Dimensions

Application

1.Electromagnetic type

2.Standard:IEC61008-1

3.Break off fault circuit rapidly,avoid occurrence of accident

4.Product operation is less affected by environmental factors(ambient temperature,lightning and so on)

5.Scenarios:industrial and mining enterprise,trade building,commerce and domestic installation

Working Principle

PID-12514

Samples&Structures

PID-1256
PID-1259
PID-12511
PID-1258

Parameters

  standard IEC/EN 61008
Electrical features Mode Electro-magnetic type,electronic type
Type(wave form of the earth leakage sensed) A,AC
Rated current In 16,25,32,40,63,80,100,125A
Poles 2P,4P
Rated voltage Ue AC 230/400V
Rated sensitivity I△n 0.01,0.03,0.1,0.3,0.5A
Insulation voltage Ui 500V
Rated residual making and breaking capacity I△m 1250A
Short-circuit current I△c 6000A
Rated frequency 50/60Hz
SCPD fuse 6000A
Pollution degree 2
  Standard   IEC/EN 61009
Mechanical features Electrical life 4000
Mechanical life 10000
Protection degree IP20
Ambient temperature(with daily averages≤35°C) °C -25~+40
Storage temperature °C -25~+70
Installation Terminal connection type Cable/U-type busbar/Pin-type busbar
Terminal size top for cable mm² 35
AWG 18-3
Terminal size top for busbar mm² 35
AWG 18-3
Tightening torque N*m 2.5
In-Ibs 22
Mounting On DIN rail EN 60715(35mm) by means of fast clip device
Connection From top and bottom

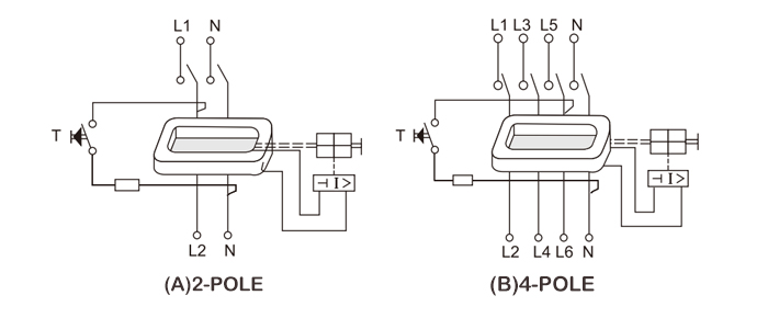
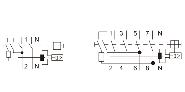
Wiring Diagram

PID-12516

Overall and Mounting Dimensions(mm)

PID-12517
Independent of line voltage: Yes
Dependent of line voltage: No
Rated voltage Ue:(V) 230V or240V(1P+N):400V or 415V(3P+N)
Rated current in:(A) 10A;16A;25A;20A;32A;40A;50A;63A;80A;100A;125A
Rated frequency:(Hz) 50/60Hz
Rated residual operating current In:(A) 30mA;100mA;300mA
Type: AC type and A type
Temporisation: Without time-delay
Nature of supply: ~
Total number of poles: 1P+N and 3P+N(neutral on left
Rated insulation voitage Ui:(V) 415V
Rated impulse withstandvoltageUimp:(V) 4000V
Utilisation rangetemperature:(°C) -5°℃ to +40℃
Rated making and breaking capacityIm:(A) 10In for 63A:80A:100A:125A500A for 10A:16A:25A:20A:32A40A:50A
Rated residual making and breaking capacity Im:(A) Same as Im
Rated conditional short-circuit current Inc:(A) 6000A
Rated conditional residual short-circuit current Ic:(A) Same as Im
Short-circuit protection devices SCPDs used: Silver wire
Grid distance(short-circuit tests): 50mm
Protection against external influences: Enclosed
Protection degree: IP20
Material group: llla
Method of mounting: On rail
Method of electrical connection  
not associated with the mechanical-mounting Yes
associated with the mechanical-mounting No
Type of terminals Pillar terminal
Nominal diameter of thread:(mm) 5.9mm
Operating means Lever

PID-125 (2) PID-125 2P PID-125 4P

Installation

  Standard   IEC/EN 61008
Installation Terminal connection type   Cable/ U-type busbar/ Pin-type busbar
Terminal size top for cable mm² 35
AWG 18-3
Terminal size top for busbar mm² 35
AWG 18-3
Tightening torque N*m 2.5
In-Ibs 22
Mounting   On DIN rail EN 60715 (35mm) by means of fast clip device
Connection   From top and bottom

20

  • Write your message here and send it to us