RDC19B Series (AC Contactor)

RDC19B(CJ19) series switch-over capacitor contactor is suitable for the power circuit of AC50/60Hz, rated power voltage up to 660V and below, for the use of low voltage reactive power compensation equipment added-in or remove the low voltage shunt capacitor.

This contactor is equipped with a surge suppression device, and it can effectively restrain the impact of closing inrush current on capacitor and reduce the breaking instantaneous overload voltage without adding the current limiting reactor.

The contactor is fully compliant with IEC/EN60947-4-1.


  • RDC19B Series (AC Contactor)
  • RDC19B Series (AC Contactor)
  • RDC19B Series (AC Contactor)
  • RDC19B Series (AC Contactor)

Product Detail

Normal Operating Condition and Installation Condition

1.Ambient temperature: +5℃~+40℃, average temperature within 24h does not exceed +35℃

2.Altitude: does not exceed 2000m

3.Atmospheric condition: when the highest temperature is +40℃, the relatively humidity does not exceed 50%; it can allow relatively high humidity when it is at relatively low temperature, for instance,it reaches 90% when it is at +20℃,it should take measurement when there have condensation occurred due to the temperature variation

4.Pollution grade:3

5.Installation category:Ⅲ

6.Installation position: the gradient of the mounting surface to the vertical surface does not exceed ±5°

7.Impact and vibration: product should be installed and used at the places without obvious shake,impact and vibration

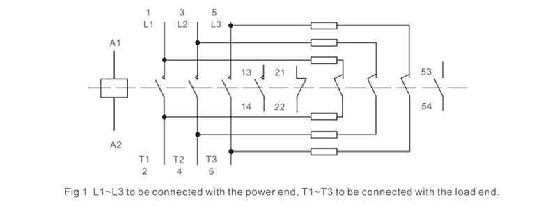
Wiring Principle

RDC19B

Main Technical Parameter

Model(Table 1) RDC19-25/口口B RDC19-32/口口B RDC19-43/口口B RDC19-63/口口B RDC19-80/口口B RDC19-95/口口B
Controllable capacitor capacity Kvar 220V 6 9 10 15 22 22
380V 12 18 20 30 40 50
Rated insulation voltage V 660
Rated voltage V 220/380
Conventional heating current A 25 32 43 63 87 108
AC-6b Rated current A 17 23 29 43 58 72
Auxi. Wire/Rated current of capacitor A 20le
Control voltage V 48,110,127,220,380
Conventional heating current of auxiliary contact A 6
Operation frequency (times/h) 120
Electrical life (10000 times) 1
Mechanical life(10000 times) 10
Tightening torque of terminal (N•m) 0.8 1.2 1.2 6.0 10.0 10.0

Note: the terminal should be tightened every 1~3 months

Dimensions

Contactor can be installed by screw, and it also can be installed by DIN rail. Overall and installation dimension of RDC19B to see fig 2 and table 2.

RDC19
Model(Table 2) Dimension Installation dimension
A B C D a b Ø Din rail
RDC19-25/口口B 84 56 130 140 40 50/60 4.5 35
RDC19-32/口口B 87 58 136 140 40 50/60 4.5 35
RDC19-43/口口B 87 58 136 140 40 50/60 4.5 35
RDC19-63/口口B 127 79 150 180 40 100/110 6.5 35 or 75
RDC19-80/口口B 127 85 160 200 40 100/110 6.5
RDC19-95/口口B 127 85 160 200 40 100/110 6.5

Auxiliary Contacts

Code for the auxiliary contacts to see table 3.

Specification Code for auxiliary contact Number of auxiliary contacts Marking
NO NC
25A,32A,43A 20 2 0 20E 13,14;23,24
02 0 2 02E 11,12;21,22
11 1 1 11E 13,14;21,22
63A,80A,95A 21 2 1 21E 13,14;21,22;33,34
12 1 2 12E 13,14;21,22;31,32

The coil of RDC19B can be reliably pull-in when it is at 80%~110% of control power voltage (Us), and can be reliably released when it is at 20%~70% of control power voltage(Us).

  • Write your message here and send it to us