1. Ambient temperature:+5℃~+40℃, average temperature within 24h does not exceed +35℃
2. Altitude: does not exceed 2000m
3. Atmospheric condition: when the highest temperature is +40℃, the relatively humidity does not exceed 50%; it can allow relatively high humidity when it is at relatively low temperature, for instance, it reaches 90% when it is at +20℃, it should take measurement when there have condensation occurred due to the temperature variation
4. Pollution grade: 3
5. Installation category:Ⅲ
6. Installation position: the gradient of the mounting surface to the vertical surface does not exceed ±5°
7. lmpact and vibration: product should be installed and used at the places without obvious shake,impact and vibration
Main technique parameter of contactor to see table 1
| Product Model(Table 1) | CJX2-09 | CJX2-12 | CJX2-18 | CJX2-25 | CJX2-32 | CJX2-40 | CJX2-50 | CJX2-65 | CJX2-80 | CJX2-95 | |||||||||||||
| Rated insulation Voltage(Ui)V | 690 | ||||||||||||||||||||||
| Main contacts |
Conventional heating current(≤40℃)A | 20 | 20 | 32 | 40 | 50 | 60 | 80 | 80 | 125 | 125 | ||||||||||||
| Rated current(A) when at 380V | AC-3 | 9 | 12 | 18 | 25 | 32 | 40 | 50 | 65 | 80 | 95 | ||||||||||||
| AC-4 | 4 | 5 | 7 | 10 | 13 | 16 | 20 | 25 | 32 | 45 | |||||||||||||
| Power of controllable single phase motor kW | 110V | 0.4 | 0.5 | 0.75 | 1.1 | 1.5 | 1.5 | 2.2 | 3.7 | - | - | ||||||||||||
| 220V | 0.75 | 1.1 | 1.5 | 2.2 | 3 | 3.7 | 5.5 | - | - | - | |||||||||||||
| Power of controllable three-phase squirrel cage typemotor kW(when AC-3) | 220V | 2.2 | 3 | 4 | 5.5 | 7.5 | 11 | 15 | 18.5 | 22 | 25 | ||||||||||||
| 380V | 4 | 5.5 | 7.5 | 11 | 15 | 18.5 | 22 | 30 | 37 | 45 | |||||||||||||
| 440V | 4 | 5.5 | 7.5 | 11 | 15 | 22 | 30 | 37 | 45 | 45 | |||||||||||||
| 660V | 5.5 | 7.5 | 9 | 15 | 18.5 | 30 | 33 | 37 | 45 | 45 | |||||||||||||
| AC-1(≤40℃)A | 20 | 20 | 32 | 40 | 50 | 60 | 80 | 80 | 125 | 125 | |||||||||||||
| Connecting max.current A | 250 | 250 | 300 | 450 | 550 | 800 | 900 | 1000 | 1100 | 1200 | |||||||||||||
| Breaking max.current A | 440V | 250 | 250 | 300 | 450 | 550 | 800 | 900 | 1000 | 1100 | 1200 | ||||||||||||
| 500V | 175 | 175 | 250 | 400 | 480 | 800 | 900 | 1000 | 1100 | 1200 | |||||||||||||
| 660V | 85 | 85 | 120 | 180 | 200 | 400 | 500 | 630 | 640 | 700 | |||||||||||||
| Operation frequency | Electrical life | AC-3 | 300 | 300 | 300 | 150 | 150 | 150 | 150 | 150 | 150 | 150 | |||||||||||
| AC-4 | 2400 | 2400 | 1200 | 1200 | 1200 | 1200 | 1200 | 1200 | 1200 | 600 | |||||||||||||
| Mechanical life (times/h) | 3600 | ||||||||||||||||||||||
| Electrical life(10000 times/h) | AC-3 | 20 | 20~15 | 20~7 | 15~7 | 15~7 | 10~7 | 7 | 7~6 | 7~5 | 7~5 | ||||||||||||
| AC-4 | 200 | 160 | |||||||||||||||||||||
| Mechanical life(10000 times/h) | 2000 | 1000 | |||||||||||||||||||||
| Coil | Rared control voltage Us(V) | AC 36,48,110,220,380,415,440,660 | |||||||||||||||||||||
| Pull-in voltage 50/60Hz V | (0.85~1.1)Us | ||||||||||||||||||||||
| Release voltage 50/60Hz V | (0.2~0.7)Us | ||||||||||||||||||||||
| Coil power | 50Hz | Pull-in VA | 70 | 70 | 70 | 110 | 110 | 200 | 200 | 200 | 200 | 200 | |||||||||||
| Hold VA | 8 | 8 | 8 | 11 | 11 | 20 | 20 | 20 | 20 | 20 | |||||||||||||
| 60Hz | Pull-in VA | 80 | 80 | 80 | 115 | 115 | 200 | 200 | 200 | 200 | 200 | ||||||||||||
| Hold VA | 8 | 8 | 8 | 11 | 11 | 20 | 20 | 20 | 20 | 20 | |||||||||||||
| Power W | 1.8~2.7 | 1.8~2.7 | 1.8~2.7 | 3~4 | 3~4 | 6~10 | 6~10 | 6~10 | 6~10 | 6~10 | |||||||||||||
| Power factor | Connecting | 0.8 | 0.6 | ||||||||||||||||||||
| Breaking | 0.3 | 0.3 | |||||||||||||||||||||
| Pull-in time m s | 12~22 | 15~24 | 20~26 | 20~35 | |||||||||||||||||||
| Release time ms | 4~12 | 5~19 | 8~12 | 6~20 | |||||||||||||||||||
| Max.operating frequency | 3500 times/h | ||||||||||||||||||||||
| Terminal | Pieces | 1 | 2 | 1 | 2 | 1 | 2 | 1 | 2 | 1 | 2 | 1 | 2 | 1 | 2 | 1 | 2 | 1 | 2 | 1 | 2 | ||
| Flexible wire with cold-press terminal(mm²) | 2.5 | 2.5 | 4 | 4 | 6 | 10 | 16 | 6 | 16 | 6 | 50 | 25 | 50 | 25 | |||||||||
| Flexible wire without cold-press terminal(mm²) | 4 | 4 | 6 | 10 | 6 | 10 | 6 | 16 | 25 | 16 | 25 | 16 | 50 | 35 | 50 | 35 | |||||||
| Single hard wire | 4 | 4 | 6 | 6 | - | 10 | 10 | 25 | - | 25 | - | 50 | - | 50 | - | ||||||||
| Weight(kg) | 0.32 | 0.32 | 0.35 | 0.49 | 0.55 | 1.07 | 1.07 | 1.10 | 1.44 | 1.44 | |||||||||||||
| Suited fuse type | Model | RDT16(NT)-00 | |||||||||||||||||||||
| Rated current(A) | 20 | 20 | 32 | 40 | 50 | 63 | 80 | 80 | 100 | 125 | |||||||||||||
| Auxiliary contacts | Can be added with F4,LA2-D/LA3-D type air delay contacts | ||||||||||||||||||||||
Model No.

Main technique parameter
Main technique parameter of contactor to see table 1
| Model | CJX2-09 | CJX2-12 | CJX2-18 | CJX2-25 | CJX2-32 | CJX2-40 | CJX2-50 | CJX2-65 | CJX2-80 | CJX2-95 | |||
| Rated insulation voltage V | 690 | ||||||||||||
| Main contacts | Conventional heating current(≤40°C) A | 20 | 20 | 32 | 40 | 50 | 60 | 80 | 80 | 125 | 125 | ||
| Rated current (A) when at 380V |
AC-3 | 9 | 12 | 18 | 25 | 32 | 40 | 50 | 65 | 80 | 95 | ||
| AC-4 | 4 | 5 | 7 | 10 | 13 | 16 | 20 | 25 | 32 | 45 | |||
| Power of controllable single phase motor kW |
110V | 0.4 | 0.5 | 0.75 | 1.1 | 1.5 | 1.5 | 2.2 | 3.7 | - | - | ||
| 220V | 0.75 | 1.1 | 1.5 | 2.2 | 3 | 3.7 | 5.5 | - | - | - | |||
| Power of controllable three- phase squirrel cage type motor kW (when AC-3) | 220V | 2.2 | 3 | 4 | 5.5 | 7.5 | 11 | 15 | 18.5 | 22 | 25 | ||
| 380V | 4 | 5.5 | 7.5 | 11 | 15 | 18.5 | 22 | 30 | 37 | 45 | |||
| 440V | 4 | 5.5 | 7.5 | 11 | 15 | 22 | 30 | 37 | 45 | 45 | |||
| 660V | 5.5 | 7.5 | 9 | 15 | 18.5 | 30 | 33 | 37 | 45 | 45 | |||
| AC-1 (≤40°C) A | 20 | 20 | 32 | 40 | 50 | 60 | 80 | 80 | 125 | 125 | |||
| Connecting max. current A | 250 | 250 | 300 | 450 | 550 | 800 | 900 | 1000 | 1100 | 1200 | |||
| Breaking max. current A | 440V | 250 | 250 | 300 | 450 | 550 | 800 | 900 | 1000 | 1100 | 1200 | ||
| 500V | 175 | 175 | 250 | 400 | 480 | 800 | 900 | 1000 | 1100 | 1200 | |||
| 660V | 85 | 85 | 120 | 180 | 200 | 400 | 500 | 630 | 640 | 700 | |||
| Operation frequency | Electrical life | AC-4 | 300 | 300 | 300 | 150 | 150 | 150 | 150 | 150 | 150 | 150 | |
| AC-3 | 2400 | 2400 | 1200 | 1200 | 1200 | 1200 | 1200 | 1200 | 1200 | 600 | |||
| Mechanical life (times/h) | 3600 | ||||||||||||
| Electrical life (10000 times/h) | AC-4 | 20 | 20-15 | 20~7 | 15~7 | 15~7 | 10~7 | 7 | 7~6 | 7~5 | 7~5 | ||
| AC-3 | 200 | 160 | |||||||||||
| Mechanical life (10000 times/h) | 2000 | 1000 | |||||||||||
| Coil | Rated control power voltage Us (V) | AC 36, 48, 110, 220, 380, 415, 440, 660 | |||||||||||
| Pull-in voltage 50/60HzV | (0.85-1.1)Us | ||||||||||||
| Release voltage 50/60Hz V | (0.2~0.7)Us | ||||||||||||
| Coil power | 50Hz | Pull-in VA | 70 | 70 | 70 | 110 | 110 | 200 | 200 | 200 | 200 | 200 | |
| Hold VA | 8 | 8 | 8 | 11 | 11 | 20 | 20 | 20 | 20 | 20 | |||
| 60Hz | Pull-in VA | 80 | 80 | 80 | 115 | 115 | 200 | 200 | 200 | 200 | 200 | ||
| Hold VA | 8 | 8 | 8 | 11 | 11 | 20 | 20 | 20 | 20 | 20 | |||
| Power W | 1.8-2.7 | 1.8-2.7 | 1.8-2.7 | 3~4 | 3~4 | 6~10 | 6~10 | 6~10 | 6~10 | 6~10 | |||
| Power | Connecting | 0.8 | 0.6 | ||||||||||
| factor | Breaking | 0.3 | 0.3 | ||||||||||
| Pull-in time m s | 12~22 | 15-24 | 20-26 | 20-35 | |||||||||
| Release time m s | 4~12 | 5~19 | 8~12 | 6~20 | |||||||||
| Max. operating frequency | 3500 times/h | ||||||||||||
| Terminal | Pieces | 1 2 | 1 2 | 1 2 | 1 2 | 1 2 | 1 2 | 1 2 | 1 2 | 1 2 | 1 2 | ||
| Flexible wire with cold-press terminal (mm2) | 2.5 | 2.5 | 4 | 4 | 6 | 10 | 16 6 | 16 6 | 50 25 | 50 25 | |||
| Flexible wire without cold-press terminal(mm2) | 4 | 4 | 6 | 10 6 | 10 6 | 16 | 25 16 | 25 16 | 50 35 | 50 35 | |||
| Single hard wire | 4 | 4 | 6 | 6- | 10 | 10 | 25- | 25- | 50- | 50- | |||
| Weight (kg) | 0.32 | 0.32 | 0.35 | 0.49 | 0.55 | 1.07 | 1.07 | 1.10 | 1.44 | 1.44 | |||
| Suited fuse type | Model | RDT16(NT) – 00 | |||||||||||
| Rated current (A) | 20 | 20 | 32 | 40 | 50 | 63 | 80 | 80 | 100 | 125 | |||
| Auxiliary contacts | Can be added with F4, LA2-D/LA3-D type air delay contacts | ||||||||||||
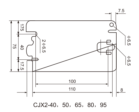
Shape and installation dimensions