RDB8DC-63 DC MCB

RDB8DC-63 series DC miniature circuit breaker (hereinater referred to as circuit breaker), mainly used in the rated DC operating voltage does not exceed 1000v, rated DC current does not exceed 63A, rated short circuit breaking capacity does not exceed 10000A protection distribution line, as the line is not frequently connected, broken and converted. With overload, short circuit protection function.

At the same time, it has a powerful auxiliary function module, such as auxiliary contact, contact with alarm indication.


  • RDB8DC-63 DC MCB
  • RDB8DC-63 DC MCB
  • RDB8DC-63 DC MCB
  • RDB8DC-63 DC MCB
  • RDB8DC-63 DC MCB

Product Detail

Product Introduction

RDB8DC series circuit breaker is a circuit breaker product with high curent limiting ability and high reliability,which is specially developed for the communication industry.It is mainly used for power distribution systems such as main cabinets, power supply cabinets, distribution cabinets,and outdoor cabinets in the communications industry.

Selection Guide

RDB8DC 63 6 2 C 63 OF
Product code Shell level Breaking capacity Number of poles Trip mode Rated voltage Electric attachments
DC miniature circuit breaker 63 6KA
10KA
1P
2P
3P
4P
C
D
1P:DC125V/250V
2P:DC250V/500V
3P:DC300V/750V
4P:DC500V/1000V
Auxiliary contact:OF
Alarm contact:SD

Normal Working Conditions and Installation Conditions

● The upper limit of ambient air temperature shall not exceed +40℃, the lower limit shall not be lower than -5℃, and the average temperature of 24h shall not exceed +35°C;

● The elevation of the installation site should not exceed 2000m;

● The relative humidity of the atmosphere does not exceed 50% when the ambient air temperature is + 40℃, and a higher relative humidity is lowed at a lower temperature.For example, 90% at +20℃. Special measures should be taken for condensation that occasionally occurs on the product due to temperature changes;

● When wiring,the correct pole of the power supply must be connected to the positive pole of the circuit breaker,and the negative extreme must be connected to the negative pole of the circuit breaker.Reverse connection is not allowed;

● Pollution level: Level 2;

● Installation conditions: Installed in a place without significant impact, vibration, and in a medium without danger (explosion);

● Installation method: Using TH35-7.5 mounting rail;

● Installation category:ClassⅡ,ClassⅢ.

Product Classification

☐ According to the number of poles:1P,2P,3P4P;

☐ According to the instantaneous tripping current form:Type C ( 8ln±20%),Type D(12In±20%);

☐ According to the rated current:6A,10A,16A,20A,25A,32A,40A,50A and 63A;

☐ According to the rated operating voltage:125V/250V DC(1P) , 250V/500V DC(2P) , 300V/750V DC(3P) , 500V/1000V DC(4P).

Main Technical Data

● Overcurrent trip characteristics When the circuit breakeris installed under normal conditions and the ambient temperature (30-35℃),the overcurrent trip characteristics comply with the provisions of Table 1.

● The rated short-circuit breaking capacity of the circuit breaker is shown in Table 2.

Trip type(Table 2) Test current In Appointed time Expected result Initial state Annotation
Type C 8In×80% t≤0.2s Non-trip   Cold State Close the auxiliary switch and turn on the power
8In×120% t<0.2s trip
Type D 12In×80% t≤0.2s Non-trip
12In×120% t<0.2s trip
 Type C/D 1.05In t≤1h Non-trip Cold State ------
1.3In t<1h trip Hot state The current rises to the specified value within 5S
Trip type(Table 2) Rated current A Rated short-circuit breaking capacity
Type C/D 6≤In≤63 6000(1P 250V、2P 500V、3P750V、4P 1000V)
10000(1P 125V、2P250V、3P 300V、4P 500V)

Mechanical electrical life:

Circuit breaker under the specified rated voltage, switch on and break the rated current,power factor is 0.85 ~0.9, operating cyde 120 times per hour(>32A) or 240 times (≤32A) frequency test, its mechanical and electrical life is 10000 times, electrical life DC 1500 times.

Structure:

The circuit breaker consists of contact system,arc extinguishing system, electromagnetic system,tripping mechanism, operating mechanism and housing.

Working principle:

Under normal working conditions, pull the operating mechanism, at this time the release mechanism is locked, and the dynamic and static contacts contact to make the power connected.

When the line is overloaded, the bimetal  sheet of the electromagnetic system produces deformation, pushes the lock to release the mechanism, and moves the contact to disconnect and cut off the power supply. When the circuit is short-circuited,the electromagnetic system draws the iron core,and the iron core top rod pushes the lock to make the mechanism release, completing the breaking protection function of the circuit breaker.

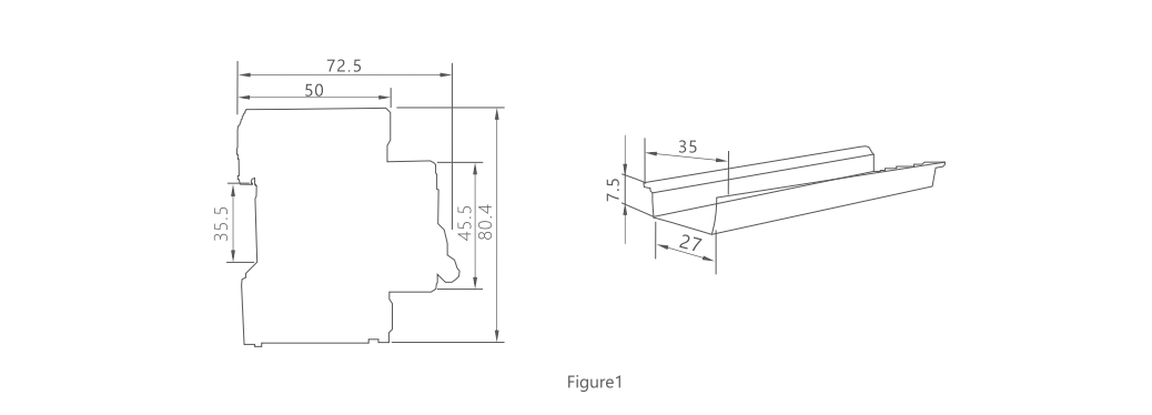
Outline Dimensions and Installation Dimension

Outline dimensions and installation dimensions of the circuit breaker are shown in Figure1.

RDB8DC-63
Size 1P 2P 3P 4P
L(mm) 18⁰₋₀.₅ 36⁰₋₁.₀ 54⁰₋₁.₅ 72⁰₋₂.₀
  • Write your message here and send it to us