JRS2 Series (Thermal Relay)

The JRS2 Series Thermal Relay is suitable for use in AC power systems with a frequency of 50Hz/60Hz, a rated voltage Ue of up to 690v, and a current range of 0.1-630A. It serves as overload and phase-failure protection for AC motors or circuits. The thermal relay offers the following functions: break phase protection, temperature compensation, optional manual or automatic reset,action flexibility inspection, and manual opening of NC (normally closed) and NO (normally open) contacts.

This product complies with standards:IEC60947-4-1.


  • JRS2 Series (Thermal Relay)
  • JRS2 Series (Thermal Relay)
  • JRS2 Series (Thermal Relay)
  • JRS2 Series (Thermal Relay)

Product Detail

Normal operating condition and installation condition

1.Ambient temperature:-5℃~+40℃, average value within 24h does not exceed +35℃

2.Height of altitude:does not exceed 2000m

3.Atmosphere: when highest temperature is +40℃, the relative humidity does not exceed 50%; it allowed the relatively high humidity when it is under the relatively low temperature, for example, it reaches 90% when +20℃.It should take special measurements if there produced condensation that is due to the temperature variation

4.Grade of pollution:3

5.Installation category:Ⅲ

6.Position of installation: the gradient between the installation side of relay and the vertical side is not more than ±5°

7.Impact and vibration: product should be installed and used at the places of no obvious shake,impact and vibration

8.Installation mode:

JRS2-12.5,25,32,45,80 has three kinds of installation mode: combination installation, screw installation,35mm standard rail installation

JRS2-63,135,150,180,400,630 has two kinds of installation mode: screw installation, 35mm standard rail installation

Model and Specification Description

Model(Table 1) Setting current adjustable scope A Recommended SCPD model,specification Conductor's cross section
for main circuit mm
JRS2-63、80 40-57 RDT16-00-125 16
50-63
JRS2-135、150、180 55-80 RDT16-1-160 25
JRS2-80 57-70
63-80
JRS2-80 77-88 RDT16-1-160 35
JRS2-135、150、180 63-90 RDT16-1-200
80-110 RDT16-1-250
JRS2-400 80-125 50
JRS2-135、150、180 90-120
110-135 RDT16-2-315
JRS2-150、180 120-150
JRS2-400 125-200 RDT16-2-400 95
JRS2-180 135-160 RDT16-2-315 70
150-180 RDT16-2-400 95
JRS2-400 160-250 RDT16-3-500 120
200-320 RDT16-3-630 185
250-400 RDT16-4-800 240
JRS2-630 320-500 RDT16-4-1000 2×150
400-630 2×185

Action scope of the thermal relay when its each pole electrified to see table 2

Model(Table 2) Multiple of setting current Action time Predict results Initial status Ambient
temperature℃
1 1.05 >2h No action Cool status 20±5℃
2 1.2 <2h Action Thermal status (after serial No.1)
3 1.5 Grade of
releasing
10A <2min Action
10 <4min Action
4 7.5 10A 2s<<top≤10s Action Cool status
10 4s<<top≤10s Action

Releasing grade: JRs2-12.5, JRS2-25, JRS2-32, JRS2-45, JRS2-63 is 10Agrade, RS2-80, JRS2-135,JRS2-150, JRS2-180, JRS2-400, JRS2-630 is 10 grade

Action scope of thermal relay when two poles electrified to see table 3

No.(Table 3) Multiple of setting current Action time Initial status Ambient temperature℃
Any two phases Another phase
1 1.00 0.90 >2h Cool status 20±5℃
2 1.15 0 ≤2h Thermal status
(after serial No.1)
20±5℃

Basic parameter of auxiliary circuit to see table 4

Rated insulation voltage UI (V) (Table 4) 380
Setting thermal current Ith (A) 6
Usage category AC-15 AC-13
Rated operating voltage Ue (V) 220 380 220
Rated operating current Ie (A) 1.9 1.1 0.2
Suited fuse (RDT16 type) specification A 6

Main Technical Parameter

Rated insulation voltage of thermal relay as well as suited AC contactor to see table 5

Model(Table 5) Suited contactor model for combination installation Rated insulation voltage Electrical life Frequency of over-load protection
JRS2-12.5 CJX1-0.9,CJX1-12 660V 10000 10000
JRS2-25 CJX1-16,CJX1-22,CJX1-32
JRS2-32 CJX1-32,CJX1-22
JRS2-45 CJX1-32,CJX1-38
JRS2-63 CJX1-0.9,12,16,22,32,38,48,63,75
JRS2-80 CJX1-45,63,75
JRS2-125 CJX1-85,110,140
JRS2-150 CJX1-85,110,140,170
JRS2-180 CJX1-85,110,140,170,205
JRS2-400 CJX1-250,300,400
JRS2-630 CJX1-500,630

Setting current adjusting scope of thermal relay as well as the recommended SCPD model and specification to see table 6

Model(Table 6) Setting current adjustable scope A Recommended SCPD model,specification Conductor's cross section for main circuit (mm²)
JRS2-12.5,25,45,63 0.1-0.16 RDT16-00-2 1
0.16-0.25
0.25-0.4
JRS2-12.5 0.32-0.5
JRS2-12.5,25,45,63 0.5-0.63
0.63-1
0.8-1.25 RDT16-00-4
1-1.6
1.25-2
JRS2-12.5,25,45,63 1.6-2.5 RDT16-00-6 1
2-3.2
2.5-4 RDT16-00-10
3.2-5
JRS2-12.5,25,32,50,63,80 4-6.3 RDT16-00-16
JRS2-12.5,25,45,63 5--8
JRS2-12.5,25,32,45,63 6.3-10 RDT16-00-20 1.5
JRS2-12.5,25,45,63 8-12.5 RDT16-00-25 2.5
JRS2-12.5 10-14.5 RDT16-00-32
JRS2-25,32,45,63 10--16
JRS2-80 11--17 RDT00-00-40
JRS2-25,32,45,63,80 12.5-20
JRS2-25,32,45,63,80 16-25 RDT16-00-50
JRS2-32,45,63,80 20-32 RDT16-00-63 4
JRS2-32,45 25-36 RDT16-00-80 6
JRS2-63,80 25-40
JRS2-45 32-40
36-45 RDT16-00-100 10
JRS2-63 32-45
JRS2-80 32-40

Releasing grade of thermal relay: JRS2-12.5,25,32,45,63,80,135,150,180,400,630 is 10A grade.Its action scope classic curve to see map 2.

JRS2

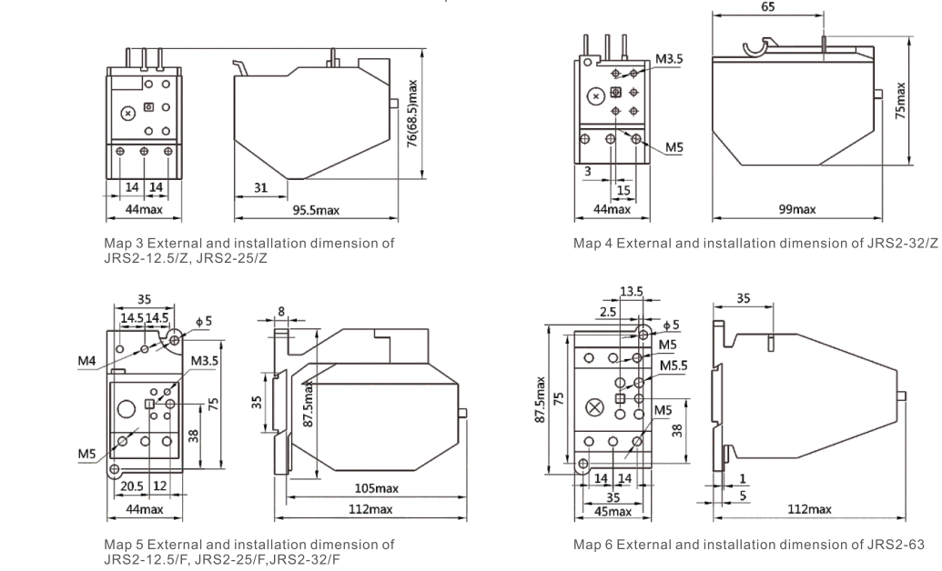
Overall and Mounting Dimensions(mm)

External and installation dimension of thermal to see map 3~10

JRS2
JRS2

Installation dimension of JRS2-400, 630 to see table 7

Model(Table 7) a b c d f
Setting current of 80~200A for JRS2-400 46 140 69 9 20×3
Setting current of 160~400A for JRS2-400 50 146 70 11 25×4
Setting current of 320~630A for JRS2-600 52 156 71 11 30×3
  • Write your message here and send it to us