ZN73-12 Series (VCB)

ZN73-12 Series indoor type high voltage AC vacuum circuit breaker is the indoor equipment with three phase AC50Hz, rated voltage 12KV, it is applicable for switching various different kinds of load and the places with frequent operation, as the use of electrical equipment’s protection and control for the industrial mining,enterprise, power plant equipment and substation.


  • ZN73-12 Series (VCB)
  • ZN73-12 Series (VCB)
  • ZN73-12 Series (VCB)
  • ZN73-12 Series (VCB)

Product Detail

Normal Working Condition and Installation Environment

1.Ambient temperature: -10°C~+40°C

2.Altitude: does not exceed 1000m

3.Humidity:

Relative humidity: daily average value does not exceed 95%, monthly average value does not exceed 90%;

Saturated vapor pressure: daily average does not exceed 2.2x10-3MPa, monthly average does not exceed1.8x10-3MPa.

4.Earthquake intensity: does not exceed 8 degree

5.The surrounding air should not be corrosive or combustible gas, steam and other obvious pollution

6.There is no regular violent vibration in the use place

Remark: If the not the same with the above using condition, can be customized.

Main Technical Parameter

Table 1
Rated voltage kV 12
Rated frequency (Hz) 50
Rated insulation level 1min Power frequency withstand voltage (interphase, phase to ground/fracture kV) 42/48(Effective value)
Lightning impulse withstand voltage (interphase, phase to ground/fracture kV) 75/85(Peak value)
Rated operation sequence O-t-CO-t'-CO*
Main circuit resistance (mΩ) ≤50
Mechanical life cycles 10000
Model No. Rated current (A) Rated short-circuit breaking current (kA) Rated short-closing current (peak kA) Rated short-circuit continuous time (s) Rated short-circuit breaking time
ZN73-12/630-20 630 20/25 50/63 4 50
ZN73-12/1250-20 1250
ZN73-12/1250-31.5 1250 31.5 80 50
ZN73-12/1600-31.5 1600
ZN73-12/2000-31.5 2000
ZN73-12/2500-31.5 2500
ZN73-12/1250-40 1250 40 100 50
ZN73-12/1600-40 1600
ZN73-12/2000-40 2000
ZN73-12/2500-40 2500
ZN73-12/3150-40 3150

Remark: * when the short-circuit breaking current is 20, 25, 31.5kA, t=0.3s, t'=180s, When the short-circuit breaking current is 40KA,t=180s,t'=180s.

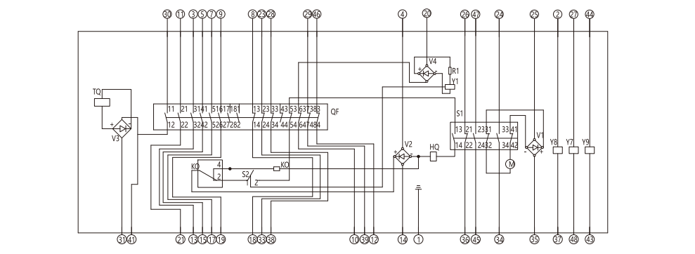
Diagram 1 Inner electrical principle diagram for fixed type circuit breaker

ZN73-12

Y1: Latching electromagnet       Y7~Y9:Over-current trpping electromagnet       KO:Anti-tripping relay within the mechanism       

HQ: Closing electromagnet       QF: Auxiliary switch for circuit breaker's main contacts       TQ: Opening electromagnet       

S1: Micro switch for energy storage       S2: Limit switch for latching electromagnet       M: Energy storage switch

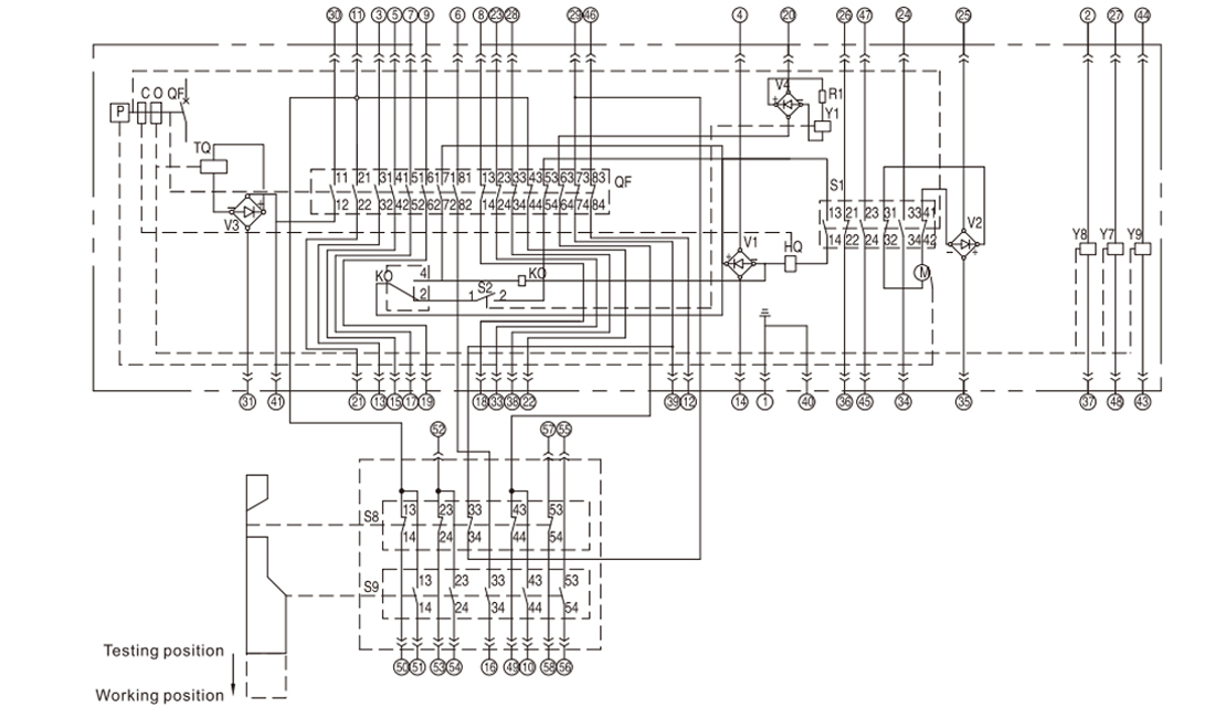
Diagram 2 Inner electrical principal diagram for the withdrawable circuit breaker (with anti-trip, latching,over-current)

ZN73-12

KO:Anti-tripping relay within the mechanism     P:Manual operation mechanism     Y1:Latching electromagnet     HQ:Closing tripping     TQ:Opening tripping     

M:Energy storage motor     S9:Auxiliary switch for the working position     S8:Auxiliary switch for the testing position     S2:Auxiliary switch for the latching electromagnet

S1:Micro switch for energy storage     QF:Auxiliary switch for the circuit breaker's main contacts

Mechanical characteristics parameter for the circuit breaker(Table 2)

Table 2 Unit Parameter
Contact's opening distance mm 11±1
Contact's overstroke mm 3.5±0.5
Three phase opening and closing synchronization ms ≤2
Contact closing tripping time ≤2
Opening time ≤50
Closing time ≤100
Average opening speed 0.9~1.3
Average closing speed 0.4~0.8
Closing contact's contact pressure N 20kA 25kA 31.5kA 40kA
2000±200 2400±200 3100±200 4750±250
Accumulated allowable wear thickness for the moving and fixing contact mm 3
Power supply for the operation (Table 3) AC/DC
Rated voltage 220V/110V
Rated power Opening tripping 264W
Closing tripping 264W
Energy storage motor 20kA 25kA 31.5kA 40kA
70W 100W
Normal working voltage range Opening tripping 65%~120% of rated voltage
Closing tripping 85%~110% of rated voltage
Energy storage motor 85%~110% of rated voltage
Energy storage time ≤10s

Overall and Installation Dimensions

ZN73-12

Diagram 3 Dimensions for the fixed type VCB

ZN73-12

Diagram 4 Dimensions for the withdrawable type VCB

Note:1.The travel distance in the cabinet is 200mm;     2. Figure within the parentheses is the dimensions for the circuit breaker's rated current over 1600A

  • Write your message here and send it to us