| RDH5 | C | 400 | 3 | J | 400 |
| Product name | Type | frame current | Pole | handle & contact | thermal current |
| Isolation switch | C:Side operation isolation switch Z1:double changeover switch,upper & lower circuits Z2:Double changeover switch,right & left circuits R:fues type isolation switch |
63 100 160 250 400 630 1000 1250 1600 2000 2500 3150 |
3:3P 4:4P |
Default: operation in the cabinet J:operation out side cabinet 11:auxiliary contact 1NO+1NC 22:auxiliary contact 2NO+2NC K:Visual window |
63 100 160 250 400 630 1000 1250 1600 2000 2500 3150 |
1.Height above sea level does not exceed 2000m
2.Environment temperature not exceed+40°C , not less than-5°C
3.Relative humidity does not exceed 90%
4.No explosive dangerous medium and no gas and dust sufficient to corrode metal and destroy insulation
5.There is no significant shaking and shock vibration
6.Without rain and snow environment.
Remark: If the using environment range is not within -5°C~+45°C, should notify the factory.
| 1NO1NC | 11 | NO+NC | suit RDH5(HGL),RDH5(HGL)C |
| 2NO2NC | 22 | 2NO+2NC | suit RDH5(HGL),RDH5(HGL)C,RDH5(HGL)Z |
| Rated current (A) | 125 | 160 | 200 | 250 | 315 | 400 | 500 | 630 | 1000 | 1250 | 1600 |
| Dielectric strength(V) | 5000 | 5000 | 5000 | 5000 | 8000 | 8000 | 8000 | 8000 | 10000 | 10000 | 10000 |
| Rated isolation volt | 800 | 800 | 800 | 800 | 1000 | 1000 | 1000 | 1000 | 1000 | 1000 | 1000 |
| Rated breaking capacity | 1000 | 1000 | 1600 | 1600 | 2500 | 3200 | 3200 | 3200 | 8000 | 8000 | 8000 |
| Rated making capacity | 1250 | 1250 | 2000 | 2000 | 3150 | 4000 | 4000 | 4000 | 10000 | 10000 | 10000 |
| Life | 10000 | 10000 | 10000 | 10000 | 5500 | 5500 | 5500 | 5500 | 4000 | 4000 | 3000 |
RDH5-125A~630A exterior and mounting size
RDH5(HGL)-125A~630A direct operation
RDH5(HGL)-125A~630A/JK operation outside cabinet mounting baseplate
| Amp. | Baseplate size | ||||
| I | M | Z | W | Q | |
| 125A | 55 | 5.5 | 85 | 190 | 218 |
| 160A | 55 | 5.5 | 85 | 190 | 218 |
| 200A | 55 | 5.5 | 85 | 190 | 218 |
| 250A | 55 | 5.5 | 85 | 190 | 218 |
| 315A | 60 | 6.5 | 130 | 240 | 270 |
| 400A | 60 | 6.5 | 130 | 240 | 270 |
| 500A | 60 | 6.5 | 130 | 240 | 270 |
| 630A | 60 | 6.5 | 130 | 240 | 270 |
| Model | Exterior and mounting size | ||||||||||||||||||
| A | B | C | D | D1 | E | φL | J | K | N | P | R | S | T | U | φX | Y | F | H | |
| 125A/3 | 140 | 135 | 125 | 27 | 92 | 73 | 5.5 | 120 | 65 | 85 | 36 | 20 | 25 | 3.5 | 115 | 8.5 | 23 | 49 | 10 |
| 125A/4 | 170 | 135 | 125 | 27 | 92 | 73 | 5.5 | 150 | 65 | 85 | 36 | 20 | 25 | 3.5 | 115 | 8.5 | 23 | 49 | 10 |
| 160A/3 | 140 | 135 | 125 | 27 | 92 | 73 | 5.5 | 120 | 65 | 85 | 36 | 20 | 25 | 3.5 | 115 | 8.5 | 23 | 49 | 10 |
| 160A/4 | 170 | 135 | 125 | 27 | 92 | 73 | 5.5 | 150 | 65 | 85 | 36 | 20 | 25 | 3.5 | 115 | 8.5 | 23 | 49 | 10 |
| 200A/3 | 180 | 170 | 145 | 35 | 98 | 86 | 5.5 | 160 | 90 | 115 | 50 | 25 | 30 | 3.5 | 140 | 10.5 | 25 | 77 | 15 |
| 200A/4 | 230 | 170 | 145 | 35 | 98 | 86 | 5.5 | 210 | 90 | 115 | 50 | 25 | 30 | 3.5 | 140 | 10.5 | 25 | 77 | 15 |
| 250A/3 | 180 | 170 | 145 | 35 | 98 | 86 | 5.5 | 160 | 90 | 115 | 50 | 25 | 30 | 3.5 | 140 | 10.5 | 25 | 77 | 15 |
| 250A/4 | 230 | 170 | 145 | 35 | 98 | 86 | 5.5 | 210 | 90 | 115 | 50 | 25 | 30 | 3.5 | 140 | 10.5 | 25 | 77 | 15 |
| 315A/3 | 230 | 240 | 190 | 50 | 138 | 110 | 7 | 210 | 140 | 135 | 65 | 32 | 40 | 5 | 206 | 10.5 | 37 | 94 | 20 |
| 315A/4 | 290 | 240 | 190 | 50 | 138 | 110 | 7 | 270 | 140 | 135 | 65 | 32 | 40 | 5 | 206 | 10.5 | 37 | 94 | 20 |
| 400A/3 | 230 | 240 | 190 | 50 | 138 | 110 | 7 | 210 | 140 | 135 | 65 | 32 | 40 | 5 | 206 | 10.5 | 37 | 94 | 20 |
| 400A/4 | 290 | 240 | 190 | 50 | 138 | 110 | 7 | 270 | 140 | 135 | 65 | 32 | 40 | 5 | 206 | 10.5 | 37 | 94 | 20 |
| 500A/3 | 230 | 260 | 190 | 50 | 138 | 110 | 7 | 210 | 140 | 135 | 65 | 40 | 50 | 5 | 220 | 12.5 | 37 | 94 | 20 |
| 500A/4 | 290 | 260 | 190 | 50 | 138 | 110 | 7 | 270 | 140 | 135 | 65 | 40 | 50 | 5 | 220 | 12.5 | 37 | 94 | 20 |
| 630A/3 | 230 | 260 | 190 | 50 | 138 | 110 | 7 | 210 | 140 | 135 | 65 | 40 | 50 | 5 | 220 | 12.5 | 37 | 94 | 20 |
| 630A/4 | 290 | 260 | 190 | 50 | 138 | 110 | 7 | 270 | 140 | 135 | 65 | 40 | 50 | 5 | 220 | 12.5 | 37 | 94 | 20 |
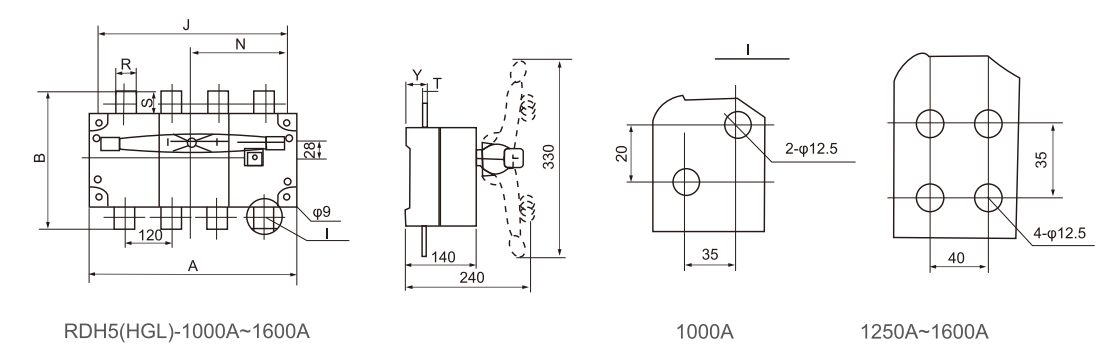
RDH5(HGL)-1000A~1600A exterior and mounting size
| Amp | Exterior and mounting size | ||||||||
| A | B | J | J1 | N | R | S | T | Y | |
| 1000A/3 | 378 | 312 | 353 | 353 | 174 | 60 | 56 | 8 | 48 |
| 1000A/4 | 498 | 312 | 473 | 473 | 234 | 60 | 56 | 8 | 48 |
| 1250A/3 | 378 | 338 | 353 | 353 | 174 | 80 | 69 | 8 | 48 |
| 1250A/4 | 498 | 338 | 473 | 473 | 234 | 80 | 69 | 8 | 48 |
| 1600A/3 | 378 | 338 | 353 | 353 | 174 | 80 | 69 | 10 | 49 |
| 1600A/4 | 498 | 338 | 473 | 473 | 234 | 80 | 69 | 10 | 49 |
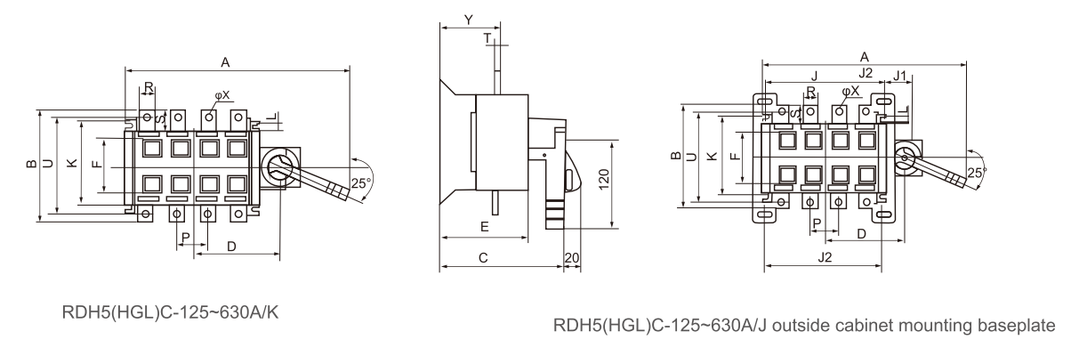
RDH5(HGL)C-125~630A side operation switch exterior and mounting size
| Amp | Baseplate size | |||
| I | Z | W | Q | |
| 125A | 3 | 115 | 240 | 270 |
| 160A | 3 | 115 | 240 | 270 |
| 200A | 3 | 115 | 240 | 270 |
| 250A | 3 | 115 | 240 | 270 |
| 315A | 4 | 170 | 280 | 311 |
| 500A | 4 | 170 | 280 | 311 |
| 630A | 4 | 170 | 280 | 311 |
| Amp | Exterior and mounting size | ||||||||||||||||||
| A | B | C | D | D1 | E | J | J1 | J2 | K | P | R | S | T | U | φX | Y | L | F | |
| 125A/3 | 267 | 135 | 147 | 89 | 125 | 102 | 120 | 65 | 120 | 95 | 36 | 20 | 25 | 3.5 | 115 | 9 | 60.5 | 7 | 53 |
| 125A/4 | 297 | 135 | 147 | 104 | 125 | 102 | 150 | 65 | 150 | 95 | 36 | 20 | 25 | 3.5 | 115 | 9 | 60.5 | 7 | 53 |
| 160A/3 | 267 | 135 | 147 | 89 | 125 | 102 | 120 | 65 | 120 | 95 | 36 | 20 | 25 | 3.5 | 115 | 9 | 60.5 | 7 | 53 |
| 160A/4 | 297 | 135 | 147 | 104 | 125 | 102 | 150 | 65 | 150 | 95 | 36 | 20 | 25 | 3.5 | 115 | 9 | 60.5 | 7 | 53 |
| 200A/3 | 308 | 170 | 153 | 110 | 131 | 108 | 160 | 65 | 160 | 110 | 50 | 25 | 30 | 3.5 | 140 | 11 | 66.5 | 11 | 80 |
| 200A/4 | 358 | 170 | 153 | 135 | 131 | 108 | 210 | 65 | 210 | 110 | 50 | 25 | 30 | 3.5 | 140 | 11 | 66.5 | 11 | 80 |
| 250A/3 | 308 | 170 | 153 | 110 | 131 | 108 | 160 | 65 | 160 | 110 | 50 | 25 | 30 | 3.5 | 140 | 11 | 66.5 | 11 | 80 |
| 250A/4 | 358 | 170 | 153 | 135 | 131 | 108 | 210 | 65 | 210 | 110 | 50 | 25 | 30 | 3.5 | 140 | 11 | 66.5 | 11 | 80 |
| 315A/3 | 401 | 240 | 187 | 150 | 155 | 132 | 210 | 77 | 210 | 180 | 65 | 32 | 40 | 5 | 206 | 11 | 80 | 13 | 104 |
| 315A/4 | 461 | 240 | 187 | 180 | 155 | 132 | 275 | 77 | 275 | 180 | 65 | 32 | 40 | 5 | 206 | 11 | 80 | 13 | 104 |
| 400A/3 | 401 | 240 | 187 | 150 | 155 | 132 | 210 | 77 | 210 | 180 | 65 | 32 | 40 | 5 | 206 | 11 | 80 | 13 | 104 |
| 400A/4 | 461 | 240 | 187 | 180 | 155 | 132 | 275 | 77 | 275 | 180 | 65 | 32 | 40 | 5 | 206 | 11 | 80 | 13 | 104 |
| 500A/3 | 401 | 240 | 187 | 150 | 155 | 132 | 210 | 77 | 210 | 180 | 65 | 40 | 50 | 6 | 220 | 13 | 80 | 13 | 104 |
| 500A/4 | 461 | 240 | 187 | 180 | 155 | 132 | 275 | 77 | 275 | 180 | 65 | 40 | 50 | 6 | 220 | 13 | 80 | 13 | 104 |
| 630A/3 | 401 | 260 | 187 | 150 | 155 | 132 | 210 | 77 | 210 | 180 | 65 | 40 | 50 | 6 | 220 | 13 | 80 | 13 | 104 |
| 630A/4 | 461 | 260 | 187 | 180 | 155 | 132 | 275 | 77 | 275 | 180 | 65 | 40 | 50 | 6 | 220 | 13 | 80 | 13 | 104 |
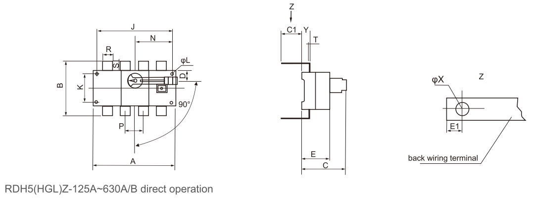
RDH5(HGL)Z-125A~630A switch exterior and mounting size
Outside handle base mounting size
| Amp | Baseplate size | |||
| I | Z | W | Q | |
| 125A | 3 | 115 | 240 | 270 |
| 160A | 3 | 115 | 240 | 270 |
| 200A | 3 | 115 | 240 | 270 |
| 250A | 3 | 115 | 240 | 270 |
| 315A | 4 | 170 | 280 | 311 |
| 500A | 4 | 170 | 280 | 311 |
| 630A | 4 | 170 | 280 | 311 |
| Model | Outline and installation dimension | ||||||||||||||||||||
| A | B | C | D | D1 | E | J | J1 | J2 | K | L | P | R | S | T | U | φX | Y | Y1 | F | H | |
| 125A/3 | 267 | 135 | 217 | 89 | 195 | 172 | 120 | 65 | 120 | 95 | 7 | 36 | 20 | 25 | 3.5 | 115 | 9 | 60.5 | 132 | 53 | 115 |
| 125A/4 | 297 | 135 | 217 | 104 | 195 | 172 | 150 | 65 | 120 | 95 | 7 | 36 | 20 | 25 | 3.5 | 115 | 9 | 60.5 | 132 | 53 | 115 |
| 160A/3 | 267 | 135 | 217 | 89 | 195 | 172 | 120 | 65 | 120 | 95 | 7 | 36 | 20 | 25 | 3.5 | 115 | 9 | 60.5 | 132 | 53 | 115 |
| 160A/4 | 297 | 135 | 217 | 104 | 195 | 172 | 150 | 65 | 120 | 95 | 7 | 36 | 20 | 25 | 3.5 | 115 | 9 | 60.5 | 132 | 53 | 115 |
| 200A/3 | 308 | 170 | 237 | 110 | 215 | 192 | 160 | 65 | 160 | 110 | 11 | 50 | 25 | 30 | 3.5 | 140 | 9 | 66.5 | 138 | 80 | 115 |
| 200A/4 | 358 | 170 | 237 | 135 | 215 | 192 | 210 | 65 | 210 | 110 | 11 | 50 | 25 | 30 | 3.5 | 140 | 11 | 66.5 | 138 | 80 | 115 |
| 250A/3 | 308 | 170 | 207 | 110 | 215 | 192 | 210 | 65 | 160 | 110 | 11 | 50 | 25 | 30 | 3.5 | 140 | 11 | 66.5 | 138 | 80 | 115 |
| 250A/4 | 358 | 170 | 307 | 135 | 215 | 192 | 275 | 65 | 210 | 110 | 11 | 50 | 25 | 30 | 3.5 | 140 | 11 | 66.5 | 138 | 80 | 115 |
| 315A/3 | 401 | 240 | 307 | 150 | 275 | 252 | 210 | 77 | 210 | 180 | 13 | 65 | 32 | 40 | 5 | 206 | 11 | 80 | 192 | 104 | 145 |
| 315A/4 | 461 | 240 | 307 | 180 | 275 | 252 | 275 | 77 | 275 | 180 | 13 | 65 | 32 | 40 | 5 | 206 | 11 | 80 | 192 | 104 | 145 |
| 400A/3 | 401 | 240 | 307 | 150 | 275 | 252 | 210 | 77 | 210 | 180 | 13 | 65 | 32 | 40 | 5 | 206 | 11 | 80 | 192 | 104 | 145 |
| 400A/4 | 461 | 240 | 307 | 180 | 275 | 252 | 275 | 77 | 275 | 180 | 13 | 65 | 32 | 40 | 5 | 206 | 11 | 80 | 192 | 104 | 145 |
| 500A/3 | 401 | 240 | 307 | 150 | 275 | 252 | 210 | 77 | 210 | 180 | 13 | 65 | 40 | 50 | 5 | 220 | 13 | 80 | 192 | 104 | 145 |
| 500A/4 | 461 | 240 | 307 | 180 | 275 | 252 | 275 | 77 | 275 | 180 | 13 | 65 | 40 | 50 | 5 | 220 | 13 | 80 | 192 | 104 | 145 |
| 630A/3 | 401 | 260 | 307 | 150 | 275 | 252 | 210 | 77 | 210 | 180 | 13 | 65 | 40 | 50 | 5 | 220 | 13 | 80 | 192 | 104 | 145 |
| 630A/4 | 461 | 260 | 307 | 180 | 275 | 252 | 275 | 77 | 275 | 180 | 13 | 65 | 40 | 50 | 5 | 220 | 13 | 80 | 192 | 104 | 145 |
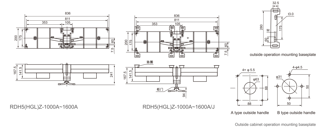
RDH5(HGL)Z-1000A~1600A switch exterior and mounting size
RDH5(HGL)Z-125A~630A/B back connection switch exterior and mounting size
| Amp. | Baseplate size | ||
| Z | W | Q | |
| 125A | 85 | 190 | 218 |
| 160A | 85 | 190 | 218 |
| 200A | 85 | 190 | 218 |
| 250A | 85 | 190 | 218 |
| 315A | 130 | 240 | 270 |
| 400A | 130 | 240 | 270 |
| 500A | 130 | 240 | 270 |
| 630A | 130 | 240 | 270 |
Outside cabinet operation mounting baseplate
| Model | Outline and installation dimension | |||||||||||||||||||
| A | B | C | C1 | D | D1 | E | E1 | φL | J | J1 | K | N | P | R | S | T | φX | Y | F | |
| 125A/3 | 140 | 135 | 125 | 5 | 27 | 92 | 73 | 10 | 5.5 | 120 | 120 | 65 | 85 | 36 | 20 | 25 | 3.5 | 9 | 25 | 53 |
| 125A/4 | 170 | 135 | 125 | 5 | 27 | 92 | 73 | 10 | 5.5 | 150 | 150 | 65 | 85 | 36 | 20 | 25 | 3.5 | 9 | 25 | 53 |
| 160A/3 | 140 | 135 | 125 | 5 | 27 | 92 | 73 | 10 | 5.5 | 120 | 120 | 65 | 85 | 36 | 20 | 25 | 3.5 | 9 | 25 | 53 |
| 160A/4 | 170 | 135 | 125 | 5 | 27 | 92 | 73 | 10 | 5.5 | 150 | 150 | 65 | 85 | 36 | 20 | 25 | 3.5 | 9 | 25 | 53 |
| 200A/3 | 180 | 170 | 138 | 10 | 35 | 98 | 86 | 15 | 5.5 | 160 | 160 | 90 | 115 | 50 | 25 | 30 | 3.5 | 11 | 25 | 80 |
| 200A/4 | 230 | 170 | 138 | 10 | 35 | 98 | 86 | 15 | 5.5 | 210 | 210 | 90 | 115 | 50 | 25 | 30 | 3.5 | 11 | 25 | 80 |
| 250A/3 | 180 | 170 | 138 | 10 | 35 | 98 | 86 | 15 | 5.5 | 160 | 160 | 90 | 115 | 50 | 25 | 30 | 3.5 | 11 | 25 | 80 |
| 250A/4 | 230 | 170 | 138 | 10 | 35 | 98 | 86 | 15 | 5.5 | 210 | 210 | 90 | 115 | 50 | 25 | 30 | 3.5 | 11 | 25 | 80 |
| 315A/3 | 230 | 240 | 165 | 3 | 50 | 135 | 110 | 17 | 7 | 210 | 210 | 140 | 135 | 50 | 32 | 40 | 5 | 11 | 37 | 104 |
| 315A/4 | 295 | 240 | 164 | 3 | 50 | 135 | 110 | 17 | 7 | 275 | 275 | 140 | 135 | 65 | 32 | 40 | 5 | 11 | 37 | 104 |
| 400A/3 | 230 | 240 | 165 | 3 | 50 | 135 | 110 | 17 | 7 | 210 | 210 | 140 | 135 | 65 | 32 | 40 | 5 | 11 | 37 | 104 |
| 400A/4 | 295 | 240 | 165 | 3 | 50 | 135 | 110 | 17 | 7 | 275 | 275 | 140 | 135 | 65 | 32 | 40 | 5 | 11 | 37 | 104 |
| 500A/3 | 230 | 260 | 165 | 3 | 50 | 135 | 110 | 20 | 7 | 210 | 210 | 140 | 135 | 65 | 40 | 50 | 5 | 132 | 37 | 104 |
| 500A/4 | 295 | 260 | 165 | 3 | 50 | 135 | 110 | 20 | 7 | 275 | 275 | 140 | 135 | 65 | 40 | 50 | 5 | 12 | 37 | 104 |
| 630A/3 | 230 | 260 | 165 | 3 | 50 | 135 | 110 | 20 | 7 | 210 | 210 | 140 | 135 | 65 | 40 | 50 | 5 | 12 | 37 | 104 |
| 630A/4 | 295 | 260 | 165 | 3 | 50 | 135 | 110 | 20 | 7 | 275 | 275 | 140 | 135 | 65 | 40 | 50 | 5 | 12 | 37 | 104 |
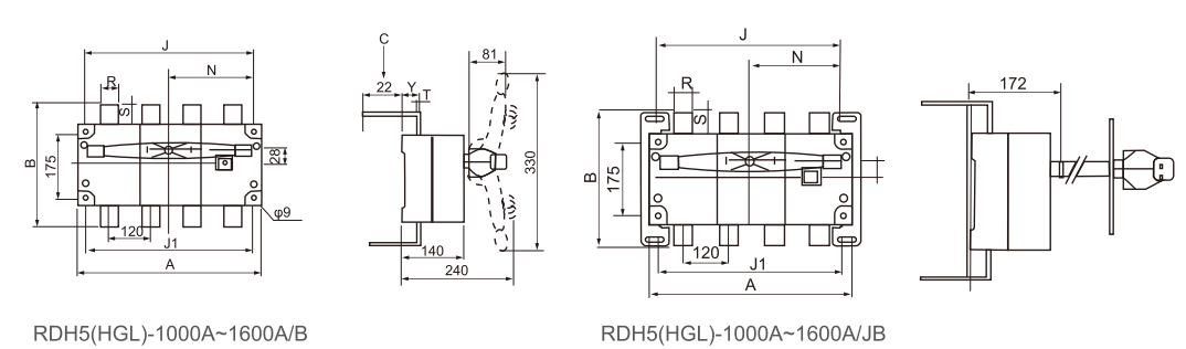
RDH5(HGL)-1000A~1600A/B back connection -switch exterior and mounting size
| Amp | Exterior and mounting size | ||||||||
| A | B | J | J1 | N | R | S | T | Y | |
| 1000A/3 | 378 | 353 | 312 | 353 | 174 | 60 | 56 | 8 | 48 |
| 1000A/4 | 498 | 473 | 312 | 473 | 234 | 60 | 69 | 8 | 48 |
| 1250A/3 | 378 | 353 | 338 | 353 | 174 | 80 | 69 | 8 | 48 |
| 1250A/4 | 498 | 473 | 338 | 473 | 234 | 80 | 56 | 8 | 48 |
| 1600A/3 | 378 | 353 | 338 | 353 | 174 | 80 | 69 | 10 | 49 |
| 1600A/4 | 498 | 473 | 338 | 473 | 234 | 80 | 69 | 10 | 49 |
Note:
RDH5(HGL)-125A~630A/H behind cabinet operation switch mounting size same as RDH5(HGL)C-125A-630A switch mounting size;
RDH5(HGL)-125A-630A/JH behind cabinet operation switch mounting size same as RDH5(HGL)-125A~ 630A/J outsize cabinet switch mounting size.