1.Electrical lock: control switch internal circuit power. when it is on, the switch can realize full-.automatic, forced recovery and remote operation; when it is off, the switch only can be manual operate.
2.Operation handle: The electrical lock should be off when the handle is used for manual operation.
3.Mechanism lock: using for detection. Firstly, turn switch to "0" position by using handle;then, pull the lock mechanism up and lock it, then taking detection.(pull up the lock, and the switch internal control power supply would be cut off, the switch can not automatic and manual operation.)
4.Position indication: indicate the working position(Ⅰ,O,Ⅱ).
1.Standard:lEC60947-6-1
2.Rated operation voltage(Ue):AC400V
3.Rated insulation voltage(Ue):AC690V
4.Rated operation current(Ie):10A-3200A
5.Control power supply voltage:DC24V,AC230V,AC400V
| Table 1 | |||||||||||||
| Rated thermal current(A) | 100 | 160 | 250 | 400 | 630 | 1,000 | 1250 | 1600 | 2000 | 2500 | 3200 | ||
| Rated insulation voltage(V) | 690 | ||||||||||||
| Rated impulse withstand voltage(Kv) | 5 | 8 | 12 | ||||||||||
| Rated operational current(A) | AC-31A | 100 | 160 | 250 | 400 | 630 | 1,000 | 1250 | 1600 | 2000 | 2500 | 3200 | |
| AC-35A | 100 | 160 | 250 | 400 | 630 | 1,000 | 1250 | 1600 | 2000 | 2500 | 3200 | ||
| AC-33iB | 100 | 160 | 250 | 400 | 630 | 1,000 | 1250 | 1600 | 2000 | 2500 | 3200 | ||
| Rate short-time withstand current(Kv) | 5 | 10 | 13 | 50 | 55 | ||||||||
| Rate limited short-circult current(Kv) | 5 | 100 | 70 | 100 | 120 | 80 | |||||||
| Control power supply voltage | DC24C、AC230V、AC400V | ||||||||||||
| change-over time(s) | 0.5 | 1 | 1.1 | 1.2 | 1.25 | 24.5 | |||||||
Switch Function
1.Automatic function: when normal power supply is of, the switch transfers the circuit to Backup power supply; when normal power supply is recovery,the switch would transfer circuit to Normal power supply.
2.Forced recovery "0" function: start "0" button, the switch would cut two power supplies.
3.Remote control function: remote control, push "Ⅰ" button to start the normal power supply, Push "Ⅱ" button to start back up power supply; Push "0"button to cut off two power supplies.
4.Please choose the switch function,and connect according to needs.
5.Please mention the Specification,model No. and needed functions.
Switch Installation
The above A,B,C is corrected(A is best),D is not right.
| Specification | Shape dimension and Installation dimension | |||||||||||||||||||
| In | A | A1 | B | B1 | C | E | G | J | K | L | N | P | R | S | T | U | W | ΦX | Y | Y1 |
| 100A/3 | 235 | 232 | 110 | 105 | 134 | 150 | 115 | 221 | 84 | 7 | 74.5 | 30 | 14 | 18 | 2.5 | 105 | 126 | 6 | 36 | 86 |
| 100A/4 | 247 | 244 | 110 | 105 | 134 | 150 | 115 | 232 | 84 | 7 | 74.5 | 30 | 14 | 18 | 2.5 | 105 | 126 | 6 | 36 | 86 |
| 160A/3 | 292 | 270 | 145 | 128 | 230 | 200 | 145 | 254 | 105 | 7 | 91 | 36 | 20 | 25 | 3.5 | 127 | 158 | 9 | 55 | 125 |
| 160A/4 | 322 | 303 | 145 | 128 | 230 | 200 | 145 | 285 | 105 | 7 | 91 | 36 | 20 | 25 | 3.5 | 127 | 158 | 6 | 55 | 125 |
| 250A/3 | 356 | 312 | 170 | 142 | 261 | 220 | 145 | 295 | 105 | 7 | 91 | 50 | 25 | 30 | 3.5 | 142 | 168 | 6 | 60 | 145 |
| 250A/4 | 406 | 365 | 170 | 142 | 261 | 220 | 145 | 345 | 105 | 7 | 91 | 50 | 25 | 30 | 3.5 | 142 | 168 | 6 | 60 | 145 |
| 400A/3 | 487 | 370 | 240 | 222 | 284 | 280 | 189 | 351 | 180 | 9 | 93 | 65 | 32 | 40 | 3.5 | 222 | 203 | 9 | 83 | 193 |
| 400A/4 | 552 | 437 | 240 | 222 | 284 | 280 | 189 | 422 | 180 | 9 | 93 | 65 | 32 | 40 | 5 | 222 | 203 | 9 | 83 | 193 |
| 630A/3 | 487 | 368 | 240 | 222 | 284 | 280 | 189 | 351 | 180 | 9 | 93 | 65 | 40 | 50 | 6 | 222 | 203 | 9 | 83 | 193 |
| 630A/4 | 552 | 437 | 240 | 222 | 284 | 280 | 189 | 422 | 180 | 9 | 93 | 65 | 40 | 50 | 6 | 222 | 209 | 9 | 83 | 193 |
| 800A/3 | 646 | 519 | 328 | 250 | 363 | 320 | 443 | 490 | 220 | 11 | 87 | 120 | 60 | 69 | 8 | 250 | 207 | 11 | 109 | 254 |
| 800A/4 | 760 | 630 | 328 | 250 | 363 | 320 | 443 | 610 | 220 | 11 | 87 | 120 | 60 | 69 | 8 | 250 | 207 | 11 | 109 | 254 |
| 1000A/3 | 646 | 519 | 328 | 250 | 363 | 320 | 443 | 490 | 220 | 11 | 87 | 120 | 60 | 69 | 8 | 250 | 207 | 11 | 109 | 254 |
| 1000A/4 | 760 | 630 | 328 | 250 | 363 | 320 | 443 | 610 | 220 | 11 | 87 | 120 | 60 | 69 | 8 | 250 | 207 | 11 | 109 | 254 |
| 1250A/3 | 646 | 519 | 335 | 250 | 363 | 320 | 443 | 490 | 220 | 11 | 87 | 120 | 80 | 69 | 8 | 250 | 207 | 11 | 110 | 255 |
| 1250A/4 | 760 | 630 | 335 | 250 | 363 | 320 | 443 | 610 | 220 | 11 | 87 | 120 | 80 | 69 | 8 | 250 | 207 | 11 | 110 | 255 |
| 1600A/3 | 646 | 519 | 335 | 250 | 363 | 351 | 443 | 490 | 220 | 11 | 87 | 120 | 80 | 69 | 10 | 250 | 207 | 12 | 110 | 255 |
| 1600A/4 | 760 | 634 | 335 | 250 | 363 | 351 | 443 | 617 | 220 | 11 | 87 | 120 | 80 | 69 | 10 | 250 | 207 | 12 | 110 | 255 |
| 2000A/3 | 800 | 535 | 423 | 542 | 560 | 447 | 490 | 220 | 84.5 | 80 | 120 | 10 | 12 | 169 | ||||||
| 2000A/4 | 800 | 633 | 423 | 542 | 560 | 447 | 617 | 220 | 84.5 | 80 | 125 | 15 | 12 | 174 | ||||||
| 2500A/3 | 800 | 535 | 423 | 542 | 560 | 447 | 490 | 220 | 84.5 | 80 | 130 | 20 | 12 | 179 | ||||||
| 2500A/4 | 800 | 633 | 423 | 542 | 560 | 447 | 617 | 220 | 84.5 | 80 | 120 | 10 | 12 | 169 | ||||||
| 3200A/3 | 800 | 635 | 423 | 542 | 560 | 447 | 490 | 220 | 84.5 | 80 | 125 | 15 | 12 | 174 | ||||||
| 3200A/4 | 800 | 650 | 423 | 542 | 560 | 447 | 617 | 220 | 84.5 | 80 | 130 | 20 | 12 | 179 | ||||||
1.Ⅰ type:Automatic type.
2.Ⅱ type: Automatic, Forced "O",remote control, With generator.
3.Ⅲ type: Phase loss detection protection,automatic, Forced "O", remote control, With generator.
4.Automation: Self-throwing and self-reset, when normal power supply stops or defaults phase, switch transfers circuit to standby power supply.And when normal power recovers, switch transfers circuit return to normal power supply.
5.Forced "0":when there is an emergency or device detection, start Forced "0" self-lock button,switch turns to "0" position and cut two circuits.
6.Remote control: press "Ⅰ" position button,then normal power supply starts working;press "Ⅱ" position button,then standby power supply starts working.
7.With generator:when normal power supply stops or defaults phase,then it gives the signal to start generator. When the power is turned on, the switch will automatically switch to the power supply.And when normal power supply recovers, switch returns the circuit to normal power supply,and stops the generator.
8.Phase loss protection:detect and protect normal power supply phase-loss.
1.Nonprofessional installation and Unauthorized opening is forbidden.
2.Please read this instruction to avoid improper using.
3.Switch interior control power supply rated voltage is 220V, from c1 of normal power supply,N1 and C2,N2 of standby power supply .0nly it is between 85% to 110% of rated control voltage, it could work normally.
4.Switch input terminal power supply should have overload protection for interior circuit board and control motor to avoid high voltage damage.
5.Switch output terminal should have short-circuit protection against high circuit damage.
6.When installing,please turn off Electrical key lock, and turn the switch to "0" position.
7.When connecting, please distinguish A, B, C, N of power supply input line, and connect to relative poles.
8.Before powering on, please check whether C.N voltage is in the 85% to 110% rated control voltage range,then turn on the electrical lock.
9.Please keep the electrical key and handle separately in case of accident.
1.RDH5D series Main circuit connection diagram
2.100A I type connection diagram
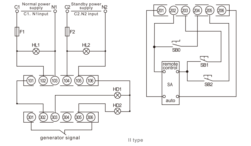
3.100A Ⅱ type Automation+Remote control connection diagram
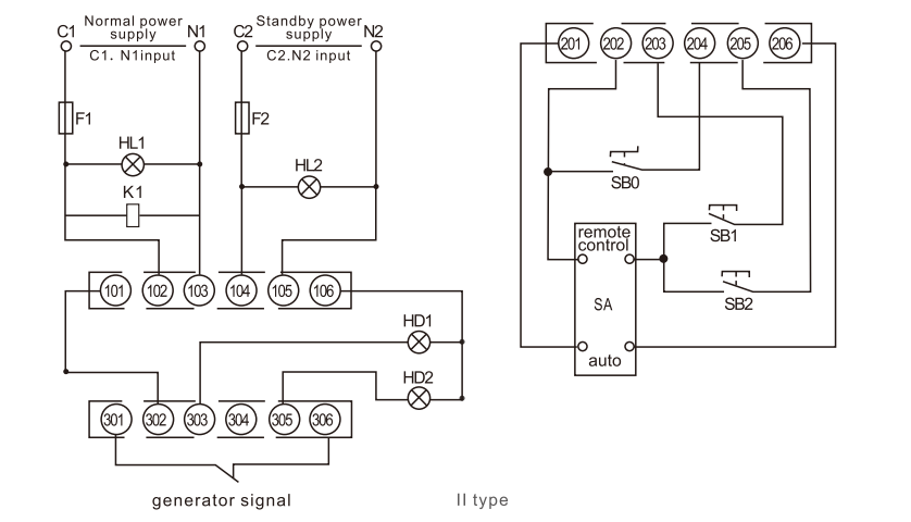
4.100A Ⅲ type Automation+Remote control connection diagram
1.100A and below only has Ⅰ, Ⅱ type switch
2.HD1-2,HL1-2 indication light can be connected according to needs
3.Switch internal connects to normal power supply C1.N1 and standby power supply C2,N2
4.Ⅰ type (auto) switch internal, 201 and 206 terminal short-connects,so there is no 201-206 terminal
5.Ⅱ type switch 201-206 terminal can be connected according to relavent function
6.301 and 306 are the signal contacts of generator's starting
7.100A and below Ⅲ type switch is special switch
8.Ⅲ switch connects 3 phases,102 and 105 terminal can not connect power supply
9.Switch power supply throwing instruts connect wiring according to the above fig
10.302 connects from load side N phase, signal light live line connects from load side C phase
11.Auto, remote control and Ⅱ type are in same connection mode
F1-2:(2A)Fuse
HL1:Normal power supply power indication
HL2: Standby power supply power indication
HD1: Normal power supply throwing indication
HD2: Standby power supply throwing indication
SA: Power transfer switch
SB0:Forced "0" selflock button
SB1:Normal power supply throwing button
SB2:Standby power supply throwing button
5.160A to 630A Ⅱ Type Auto+manual(remote control) connection diagram
6.160A to 630A Ⅲ Type Auto+manual(remote control) connection diagram
F1-2:(2A)fuse
HL1:Normal power supply power indicator
HL2:Standby power supply power indicator
1.HD1-6,HD1-2 indicator connects according to needs
2.Only400A and above have 401-406,501-506 terminals
3.101 and 106 are switch output indicator power supplys, 106 is live line
4.Ⅰ type switch do not make 125A and above,only Ⅱ type and Ⅲ type
5.Ⅱ type and Ⅲ type 201-206 terminals can be connected according to relevant functions
6.Ⅲ Type connects 3 phases,102-105 do not need power,only 3 poles switch 103 needs to connect the normal power supply N1.105 connects to Standby power N2
7.1000A to 3200A Ⅱ type auto+manual connection diagram
HD1:Normal power supply throwing indication
HD2:Standby power supply throwing indication
HD3:Normal power supply pre-breaking indication
HD4:Standby power supply pre-breaking indication
HD5:Mechanical padlock on/off indication
HD6:Electrical lock on/off indication
AS:Function transfer switch
SB0:Forced reset "O" self-lock button
SB1:Normal power supply throwing button
SB2:Standby power supply throwing button
F1-2:(2A)Fuse
HL1:Normal power supply power indication
HL2: Standby power supply power indication
HD1:Normal power supply throwing indication
HD2: Standby power supply throwing indication
HD3:Normal power supply pre-breaking indication
HD4:Standby power supply pre-breaking indication
HD5:Mechanical padlock on/off indication
HD6:Electricallock on/off indication
K1: Middle relay
SA: Power transfer switch
SB0:Forced "0" selflock button
SB1:Normal power supply throwing button
SB2:Standby power supply throwing button
1.Only Ⅱ type and Ⅲ type have 1000A and above production
2.HD1-6,HL1-2 indicator can be connected according needs
3.101 and 106 are switch output indicator power supplys, 106 is live line
4.201-206 terminal can be connected according to relevant functions
5.K1 relay only can be used at full-automation
8.1000A to 3200A Ⅲ type auto+manual connection diagram
Note:1.Ⅲ type switch connects to 3 phase power supply,102-105 do not connect to power supply.Only in the 3 poles switch, 103 connects normal power supply N1,105 connects to standby power supply;
2.Other connection mode refer to 125A to 630A type.