RDX6SD-100seriesisolatingswitch is applicable to the circuit with an alternating currentof50HZ/60HZ, rated voltage to 400V, and rated current up to 100A for isolator or making and breaking function.The product meets the standards of IEC60947.3
RDX6SD-100 series disconnector is a switch product specially designed for circuits with AC 50Hz/60Hz, rated voltage of 400V and rated current of 100A. It can effectively realize the isolation, closing and opening functions of the circuit, and ensure the stability and safety of the circuit.
This series of products adopts high-quality materials and advanced production technology, with excellent durability and reliability. It has a compact design and can be easily installed in the circuit. It can not only effectively isolate the circuit, but also help users quickly close and open the circuit when necessary to ensure circuit safety.
This disconnector has a high electrical performance index. Its rated voltage is 400V and rated current is 100A, which can meet the requirements of various circuits. At the same time, it also has low contact resistance and high insulation strength, which can effectively reduce current loss and improve the service life of the circuit.
During use, this series of isolating switches can effectively isolate the circuit, prevent overload or short circuit of the circuit due to fault or other reasons, and thus protect the safety of the circuit. In addition, it can also help users to maintain and repair easily to ensure the normal operation of the circuit.
RDX6SD-100 series disconnector is a high-performance and reliable circuit switch product, which can effectively isolate, close and open the circuit, protect the stability and safety of the circuit, and is an indispensable and important element in various circuits.

Type designation:

| Standard | IEC/EN 60947-3 | |||||||||
| Electricalfeatures | Rated voltage Ue | V | 230/400 | |||||||
| Rated current le | A | 32,63,100 | ||||||||
| Rated frequency | Hz | 50/60 | ||||||||
| Rated impulse withstand voltage Uimp | V | 4000 | ||||||||
| Rated short-time withstand current Icw | 12le,1s | |||||||||
| Rated making and breaking capacity | 3le,1.05Ue,cosф=0.65 | |||||||||
| Rated short circuit making capacity | 20le,t=0.1s | |||||||||
| Insulation voltage Ui | V | 500 | ||||||||
| Pollution degree | 2 | |||||||||
| Use category | AC-22A | |||||||||
| Mechanicalfeatures | Electrical life | 1500 | ||||||||
| Mechanical life | 8500 | |||||||||
| Protection degree | IP20 | |||||||||
| Ambient temperature (with daily average≤ 35C) | ℃ | -5…+40 | ||||||||
| Storage temperature | ℃ | -25…+70 | ||||||||
| Standard | IEC/EN 60947-3 | |||||||||
| Electricalfeatures | Terminal connection type | Cable/Pin-type busbar | ||||||||
| Terminal size top/bottom for cable | mm2 50 | |||||||||
| AWG 18-1/0 | ||||||||||
| Terminal size top/bottom for busbar | mm2 25 | |||||||||
| AWG 18-3 | ||||||||||
| Tightening torque | N*m 2.5 | |||||||||
| In-Ibs 22 | ||||||||||
| connection | From top and bottom | |||||||||
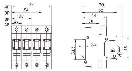
Overall and mounting dimensions(mm):

DIN-Rail dimensioned drawing
Post time: Feb-07-2025






