RDA1 series pushbutton switch,rated insulation voltage 690V,is applicable for telecontrolling electronmagnetic starter,contact,relay and other circuit of AC50Hz or 60Hz,AC voltage 380V ane below,DC voltage 220V and below.And the lamp pushbutton also can be used as single indication.This production conforms to the standard of GB14048.5,IEC60947–5-1

Normal working condition and installation condition:
1 Altitude: lower than 2000m.
2 Ambient temperature: no higher than +40oC,and no lower than -5oC, and day average temperature shall no more than +35ºC.
3 Humidity: Relative humidity shall not excced 50% at the Max temperature 40ºC, and higher humidity could be accepted at lower temperature.
The condensation must be taken care which is caused by temperature change.
4 Pollution class: III type
5 Installation level: II type
6 Install location should have no corrosion gas and onductive dust.
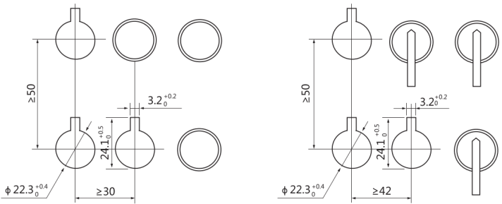
7 Pushbutton should be insall at round hole of control plate.The round hole can have square keyway which has upward position. The control plate thickness is 1 to 6 mm. If necessary, gasket could be used.

| Table1 | |||||||||||
| Code | Name | Code | Name | ||||||||
| BN | flush button | Y | key switch | ||||||||
| GN | projecting button | F | Antifouling button | ||||||||
| BND | illuminated flush button | X | short-handle selector button | ||||||||
| GND | illuminated projecting button | R | button with mark head | ||||||||
| M | mushroom-headed button | CX | long-handle selectorbutton | ||||||||
| MD | illuminated mushroom-headed button | XD | short-handle selector button with lamp | ||||||||
| TZ | emergency stop button | CXD | long-handle selector button with lamp | ||||||||
| H | protective button | A | Two-headed button | ||||||||
| Table2 | |||||||||||
| Code | r | g | y | b | w | k | |||||
| Color | red | green | yellow | blue | white | black | |||||
| Table3 | |||||||||||
| Code | f | fu | ffu | ||||||||
| Color | left self-reset | right self-reset | left and right self-reset | ||||||||
Appearance and mounting dimensions:

Post time: Jan-04-2025





