Multi-turn type
| LMK1-0.66 | 5/3.75 | 0.5 | 5/5 | ● |
| Model | Secondary load(capacity) | Accuracy class | Current ratio | Double turn type |
| LMK1-0.66 | 5/3.75 | 0.5 0.2 0.5S 0.2S |
5/5 10/5 15/5 ...... 50/5 |
Multi-turn type |
Busbar type
| LMK1-0.66 | 30 | 2.5 | 0.5 | 5/5 | ◆ |
| Model | Specifications | Secondary load(capacity) | Accuracy class | Current ratio | Single turn type |
| LMK1-0.66 | 30 40 50 60 80 100 120 |
2.5 5/3.75 10/3.75 15 |
0.5 0.2 0.5S 0.2S |
5/5 10/5 15/5 ...... 5000/5 |
Single turn type |
● Environmental temperature:(-5~40) °C;
● Environmental humidity: ≤80%
● Altitude:≤1000m
● Installation location: indoor, without metal dust or severe vibration;
● There is no serious pollution in the atmosphere of the installation site, and there is no gas or conductive dust in the medium that can corrode metals and damage insulation.
The transformer mainly consists of a coil and a plastic casing, which is dry insulation.
The primary busbar - cable or busbar - passes through the window opening. The transformer can be clamped onto the busbar by tightening screws or fixed and installed with screws through the mounting plate.
| Model specificafions | Maximum busbar size that can be passed through (mm) |
Root | Rated primary current A |
Rated secondary current A
|
Number of turns passing
through the window
|
secondary load VA | |||
| 0.5 grade | 0. 2 grade | 0.5s grade | 0. 2s grade | ||||||
| LMK1-0.66 Multi-tum type |
一 | 一 | 5~50 | 5 | 一 | 5/3.75 | 5/3.75 | 5/3.75 | 5/3.75 |
| LMK1-0.66/30 | 10×30 | 1 | 50 | 5 | 1 | 2.5 | 一 | 2.5 | 一 |
| 75,100 | 5 | 1 | 2.5 | 2.5 | 2.5 | 2.5 | |||
| 5 | 5 | 30 | 2.5 | 5/3.75 | 5/3.75 | 5/3.75 | |||
| LMK1-0.66/40 | 10×40 | 1 | 10 | 5 | 15 | 2.5 | 5/3.75 | 5/3.75 | 5/3.75 |
| 25 | 5 | 6 | 2.5 | 5/3.75 | 5/3.75 | 5/3.75 | |||
| 30 | 5 | 5 | 2.5 | 5/3.75 | 5/3.75 | 5/3.75 | |||
| 40 | 5 | 5 | 5/3.75 | 5/3.75 | 5/3.75 | 5/3.75 | |||
| 50 | 5 | 3 | 2.5 | 5/3.75 | 5/3.75 | 5/3.75 | |||
| 75 | 5 | 2 | 2.5 | 5/3.75 | 5/3.75 | 5/3.75 | |||
| 250 | 5 | 1 | 5/3.75 | 5/3.75 | 5/3.75 | 5/3.75 | |||
| 20 | 5 | 10 | 5/3.75 | 一 | 一 | 一 | |||
| 30 | 5 | 5 | 2.5 | 一 | 一 | 一 | |||
| 40 | 5 | 5 | 5/3.75 | 一 | 一 | 一 | |||
| 50 | 5 | 3 | 2.5 | 一 | 一 | 一 | |||
| 75 | 5 | 2 | 2.5 | 一 | 一 | 一 | |||
| 100 | 5 | 2 | 5/3.75 | 一 | 一 | 一 | |||
| 100 | 5 | 1 | 2.5 | 一 | 一 | 一 | |||
| 150 | 5 | 1 | 2.5 | 一 | 一 | 一 | |||
| 200~600 | 5 | 1 | 5/3.75 | 5/3.75 | 5/3.75 | 5/3.75 | |||
| 750~1000 | 5 | 1 | 10/3.75 | 10/3.75 | 10/3.75 | 10/3.75 | |||
| LMK1-0.66/50 | 10×50 | 1 | 75 | 5 | 4 | 5/3.75 | 一 | 一 | 一 |
| 100 | 5 | 2 | 2.5 | 一 | 一 | 一 | |||
| 150 | 5 | 2 | 5/3.75 | 一 | 一 | 一 | |||
| 200 | 5 | 1 | 2.5 | 一 | 一 | — | |||
| 250 | 5 | 1 | 2.5 | 一 | 一 | 一 | |||
| 300~600 | 5 | 1 | 5/3.75 | 5/3.75 | 5/3.75 | 5/3.75 | |||
| 750~1500 | 5 | 1 | 10/3.75 | 10/3.75 | 10/3.75 | 10/3.75 | |||
| LMK1-0.66/60 | 6×60 | 2 | 300~600 | 5 | 1 | 5/3.75 | 5/3.75 | 2.5 | 2.5 |
| 750、800 | 5 | 1 | 10/3.75 | 10/3.75 | 10/3.75 | 10/3.75 | |||
| 10,001,200 | 5 | 1 | 10/3.75 | 10/3.75 | 10/3.75 | 10/3.75 | |||
| 1500 | 5 | 1 | 15 | 15 | 15 | 10/3.75 | |||
| 2000 | 5 | 1 | 15 | 15 | 15 | 15 | |||
| LMK1-0.66/80 | 6×80 | 2 | 500、600 | 5 | 1 | 5/3.75 | 5/3.75 | 5/3.75 | 5/3.75 |
| 750、800 | 5 | 1 | 10/3.75 | 10/3.75 | 10/3.75 | 10/3.75 | |||
| 10,001,200 | 5 | 1 | 10/3.75 | 10/3.75 | 10/3.75 | 10/3.75 | |||
| 15,001,600 | 5 | 1 | 15 | 15 | 15 | 10/3.75 | |||
| 2000~3000 | 5 | 1 | 15 | 15 | 15 | 15 | |||
| LMK1-0.66/100 | 10×100 | 2 | 600 | 5 | 1 | 5/3.75 | 一 | 一 | 一 |
| 750、800 | 5 | 1 | 10/3.75 | 5/3.75 | 5/3.75 | 5/3.75 | |||
| 10,001,200 | 5 | 1 | 10/3.75 | 10/3.75 | 10/3.75 | 10/3.75 | |||
| 15,001,600 | 5 | 1 | 15 | 15 | 15 | 10/3.75 | |||
| 2000~4000 | 5 | 1 | 15 | 15 | 15 | 15 | |||
| LMK1-0.66/120 | 11.2×120 | 2 | 1000、1200 | 5 | 1 | 10/3.75 | 10/3.75 | 10/3.75 | 10/3.75 |
| 15,001,600 | 5 | 1 | 15 | 15 | 15 | 10/3.75 | |||
| 2000~5000 | 5 | 1 | 15 | 15 | 15 | 15 | |||
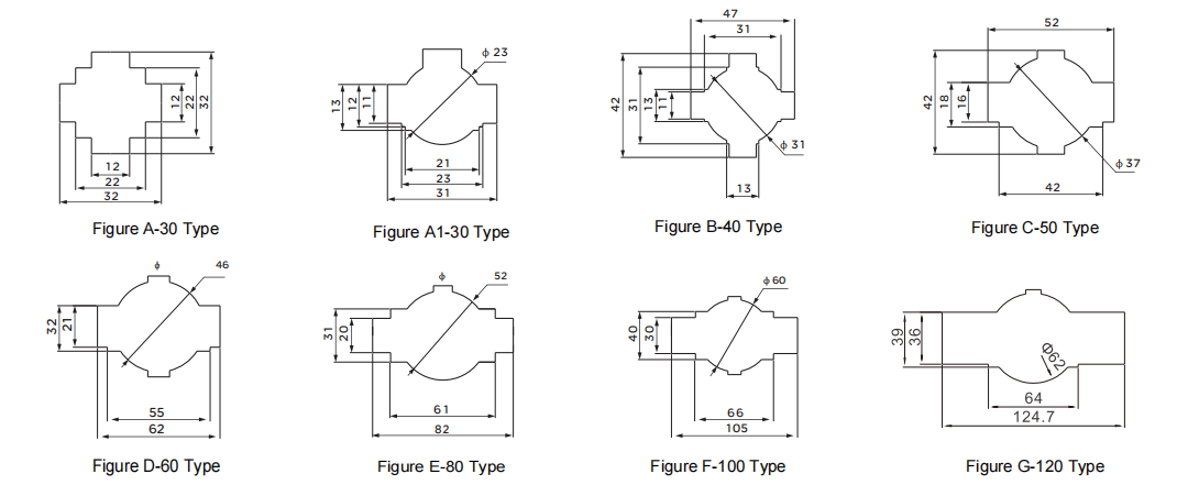
The appearance and installation dimensions of the busbar type transformer are shown in Fiaures 1 to 3 and Table 1. and the double turn type is shown in Figures 4 to 6.
| Model specifications | Rated ampere turn | Overall dimensions(mm) | Installation dimensions(mm) | Corresponding window hole size diagram(mm) | Corresponding accuracy level | |||
| H | L | B | L1 | L2 | ||||
| LMK1-066/30 | 75~100 | 116 | 90 | 50 | 40 | 59 | Figure A-30 Type | 0.2,0.5S,0.2S |
| LMK1-066/30 | 50 | 98 | 75 | 40 | 44 | 59 | Figure A-30 Type | 1.0,0.5,0.5S |
| LMK1-066/30 | 75~100 | 98 | 75 | 40 | 44 | 59 | Figure A-30 Type | 0.5 |
| LMK1-066/30 | 150~250 | 98 | 75 | 40 | 44 | 59 | Figure A-30 Type | 0.2,0.5S,0.2S |
| LMK1-066/30 | 150~600 | 80 | 60 | 36 | 32 | 59 | Figure A1-30 Type | 0.5 |
| LMK1-066/40 | 100~1000 | 98 | 75 | 40 | 44 | 59 | Figure B-40 Type | 0.5,0.2,0.5S,0.2S |
| LMK1-066/50 | 250~1500 | 98 | 82 | 40 | 50 | 59 | Figure C-50 Type | 0.5,0.2,0.5S,0.2S |
| LMK1-0.66/60 | 300~2000 | 126 | 102 | 40 | 50 | 59 | Figure D-60 Type | 0.5,0.2,0.5S,0.2S |
| LMK1-0.66/80 | 500~3000 | 118 | 125 | 40 | 50 | 59 | Figure E-80 Type | 0.5,0.2,0.5S,0.2S |
| LMK1-0.66/100 | 600~4000 | 136.5 | 170 | 40 | 80.3 | 59 | Figure F-100 Type | 0.5,0.2,0.5S,0.2S |
| LMK1-0.66/120 | 600~5000 | 153 | 190 | 46 | 100 | 59 | Figure G-120 Type | 0.5,0.2,0.5S,0.2S |
LMK1-0.66 series window hole dimensions are shown in Figure A-G.