DDS858 Series (Energy Meter)

DDS858 single phase electronic energy meter adopts micro-electronic,computer,SMT manufacturing technology,can measure positive/reverse active power of each phase directly and accurately.

It conforms to the standard IEC62053-21.


  • DDS858 Series (Energy Meter)
  • DDS858 Series (Energy Meter)
  • DDS858 Series (Energy Meter)
  • DDS858 Series (Energy Meter)

Product Detail

Technical Features

Model Category Reference voltage Rated current In Impulse constant
DDS858 Single phase 220V 1.5(6)A (CT type) Based on nameplate
3(6)A (CT type)
1.5(6)A(Direct connection)
3(6)A(Direct connection)
2.5(10)A
3x20(80)A
5(20)A
10(40)A
15(60)A
20(80)A
30(100)A

Basic Error

Basic error limit when balanced load.

Load current Power factor Basic error range
1 class 2 class
0.05Ib ≤ I < 0.1Ib 1 ±1.5 ±2.5
0.1Ib ≤ I ≤ Imax 1 ±1.0 ±2.0
0.1Ib ≤ I < 0.2Ib 0.5 (inductive)/0.8 (capacitive) ±1.5 ±2.5
0.2Ib ≤ I ≤ Imax 0.5 (inductive)/0.8 (capacitive) ±1.0 ±2.0

Working Parameter

 
Data saving time after power failure ≥10 years
Electrical Parameter
Norma working voltage 0.8~1.2 Rated voltage
Isolation voltage ≥2000V (AC)
Voltage cycle power consumption ≤1W
Battery consumption after power failure ≤10 μA

Working Condition

● Normal working temperature: -20°C~-50°C;

● Storage & transporttemperature:-25°C~+70°C;

● Extreme working temperature:-30°C~+60°C;

● Annual average humidity:≤75%.

Working theory

DDS858

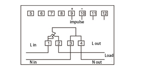
Terminal Wiring Diagram

Active energy testing port diagram

DDS858

Function Wiring Terminals(A type)

DDS858

Function Wiring Terminals(C type)

DDS858

Outline & Mounting Size

DDS858
  • Products categories

    Write your message here and send it to us