RDX6-63/DC MCB is suitable for the DC distribution circuit of AC 50/60Hz,rated voltage up to 400V, rated current up to 63A, rated short-circuit breaking capacity does not exceed 6000A, as the use of circuit's infrequently connecting,breaking and switching, with the functions of over-load, short-circuit protection.Meanwhile, it has strong auxiliary function modules, such as auxiliary contacts,contacts with alarming indication, shunt releasing, under-voltage releasing, andremote release control etc. modules.This product confirms to GB10963.1 and IEC60898-1 standards.

Classification:
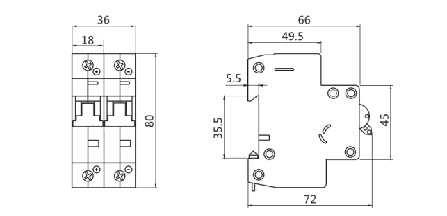
1. Number of pole: 1P, 2P
2. Releasing characteristics: C type
3. Rated current: 1, 3, 6, 10, 16, 20, 25, 32, 40, 50, 63A
4. Rated operating voltage: 220V/440V
Normal operating conditions and installation conditions:
1. Ambient temperature: -5℃~+40℃, average temperature within 24h does
not exceed +35℃;
2. Altitude of installation place: does not exceed 2000m;
3. Relative humidity does not exceed 50% when it is at highest temperature of
+40℃, and it is allowed relatively high relative humidity when it is at relatively low
temperature, for example, it reaches 90% when it is at 20℃. It should take
measurements when there occurred condensation on the product due to the
temperature variation.
4. Grade of pollution: 2
5. Installation condition: it should be installed at the places of without obvious
impact and vibration as well as the medium without danger (explosion).
6. Installation mode: adopts TH35-7.5 installation rail
7. Installation category: II, III
Main technique parameter:
Over-current releasing characteristics should confirm to table 1 when the circuit breaker is at normal
installation condition and basic temperature of 30-35℃.
| No. | Tripping type | Rated current In | Test current A | Approximate time | Expected result | Starting state | |||
| 1 | C | All values | 1.13In | t≤1h | Not releasing | cold state | |||
| 2 | C | All values | 1.45In | t≤1h | Releasing | immediately after the serial number 1 test | |||
| 3 | C | ≤32A | 2.55In | 1s<t<60s | Releasing | cold state | |||
| 32A<In≤63A | 1s<t<120s | ||||||||
| 4 | C | All values | 5In(AC) | t≤0.1s | Not releasing | cold state | |||
| 7In(DC) | |||||||||
| 5 | C | All values | 10In(AC) | t≤0.1s | Releasing | cold state | |||
| 15In(DC) | |||||||||
| Table2 | |||||||||
| Tripping type | Rated current A | Rated short-circuit breaking capacity A | Time constant T | ||||||
| C | 1≤In≤63 | 6 000 | 4ms | ||||||
Shape and installation dimensions:

To learn more please click:https://www.people-electric.com/rdx6-63dc-series-6ka-mcb-product/
Post time: Mar-24-2025
